Zurück zu
>
Roth / TORO
>
Aufsitzmäher
>
Traktor
>
246 HE
>
309/72101
>
3900001
>
Motor & Kupplung
Ersatzteillisten für Toro Roth / TORO Motor & Kupplung
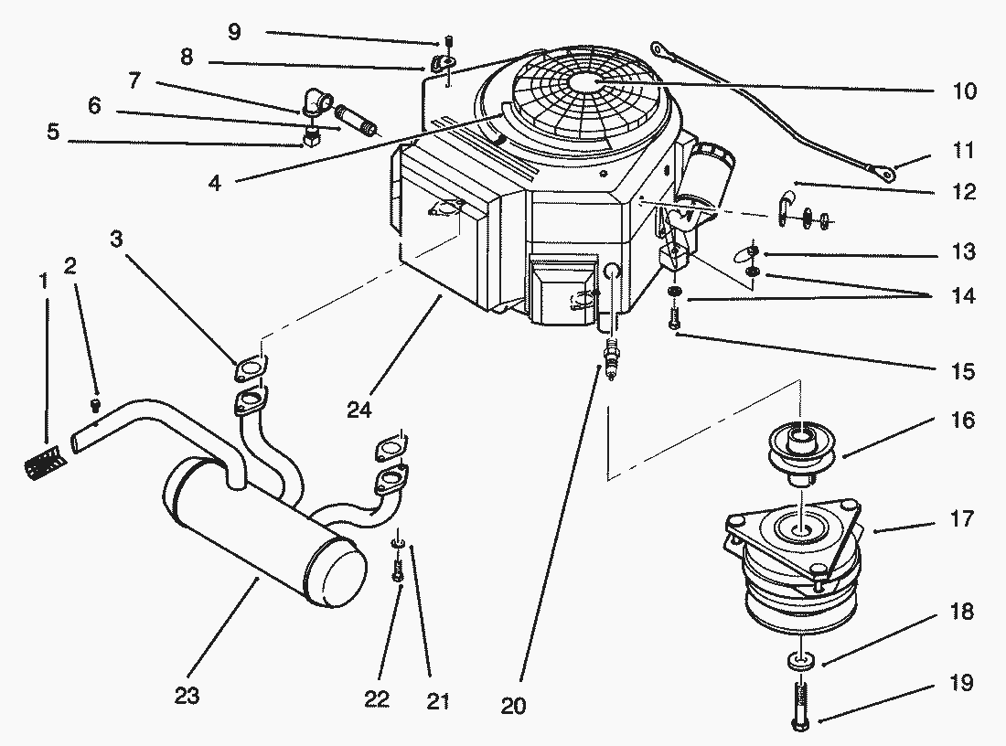
Pos.
Bezeichnung
Ersatzteilnummer
1
Spark Arrestor
115356
2
Screw
911652
3
Gasket-Exhaust
118500
4
Decal-16 hp. Power Plus
92-1687
5
Oelablass-Schraube
281-2
6
Nippel
289-45
7
Fitting-90ø
114764
8
Clevis
115413
9
Screw-Incl. w/Engine
78-4800
10
Decal-TORO
120040
11
Wire-Starter to Solenoid
1112757
12
Clip-J
111392
13
MUTTER
3296-29
14
Scheibe
3256-23
15
Schraube
322-9
16
Pulley-Engine
78-6610
17
Clutch-PTO
92-1686
18
Scheibe
112843
19
Schraube
9114466
20
Plug-Spark
NN10820
21
Federring
3253-4
22
Socket Allen Hd. Screw
911066
23
Auspuff
79-1210
24
Engine
79-3150
Gebrauchsanweisungen
Toro
Roth / TORO
Aufsitzmäher
Traktor
264-6
246 HE
309/72101
3900001
Elektro-Schaltplan
Getriebe (Eaton Modell 751-045)
Motor (TORO Power Plus)
Kotflügel & Sitz
Hydrauliktank
Hinterrad & Getriebe
Bremse & Hydraulik-Gestänge
Bremspedal
Spannrolle & Pedalwelle
Aushubgestänge
Armaturenbrett
Lenkwelle & Anzeigen
Lenkrad & Konsole
Kraftstofftank & Lenkung Halter
Kupplung 92-1686
Batteriebefestigung
Motor & Kupplung
Vorderachse
Hauptrahmen
Haube
244-5
212-H
212-5
17-44 HXLE
16-44 HXL
16-38 HXL
16-38 XLE
15-44 HXL
15-38 HXL
14-38 HXL
14-38 XL
13-38 HXL
13-38 XL
13-32 XLE
12-38 HXL
12-38 XL
12-32 XL
264 H
265 H
267 H
268 H
270 H
520 xi
520 Lxi
523 Dxi
Rider
Mähwerke
Zubehör
Handgeräte
Robin
Impressum
(C) by motoruf