Zurück zu
>
Roth / TORO
>
Aufsitzmäher
>
Traktor
>
246 HE
>
309/72101
>
3900001
>
Elektro-Schaltplan
Ersatzteillisten für Toro Roth / TORO Elektro-Schaltplan
Pos.
Bezeichnung
Ersatzteilnummer
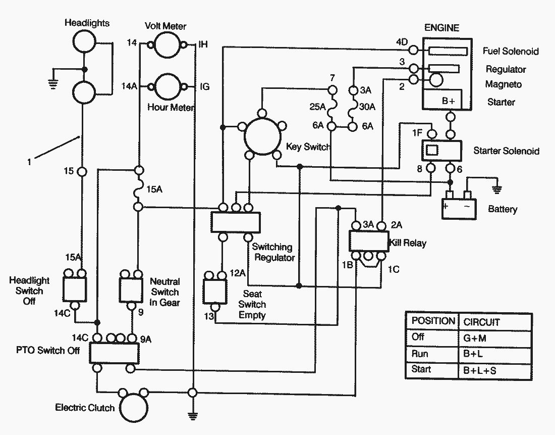
1
Wire Harness
92-1695
Gebrauchsanweisungen
Toro
Roth / TORO
Aufsitzmäher
Traktor
264-6
246 HE
309/72101
3900001
Elektro-Schaltplan
Getriebe (Eaton Modell 751-045)
Motor (TORO Power Plus)
Kotflügel & Sitz
Hydrauliktank
Hinterrad & Getriebe
Bremse & Hydraulik-Gestänge
Bremspedal
Spannrolle & Pedalwelle
Aushubgestänge
Armaturenbrett
Lenkwelle & Anzeigen
Lenkrad & Konsole
Kraftstofftank & Lenkung Halter
Kupplung 92-1686
Batteriebefestigung
Motor & Kupplung
Vorderachse
Hauptrahmen
Haube
244-5
212-H
212-5
17-44 HXLE
16-44 HXL
16-38 HXL
16-38 XLE
15-44 HXL
15-38 HXL
14-38 HXL
14-38 XL
13-38 HXL
13-38 XL
13-32 XLE
12-38 HXL
12-38 XL
12-32 XL
264 H
265 H
267 H
268 H
270 H
520 xi
520 Lxi
523 Dxi
Rider
Mähwerke
Zubehör
Handgeräte
Robin
Impressum
(C) by motoruf