Zurück zu
motoruf
Warenkorb

Ersatzteillisten für Toro Roth / TORO Getriebe (Eaton Modell 751-045)


Ersatzteilliste 1
Ersatzteilliste 2


Pos.BezeichnungErsatzteilnummer
Plug Assembly (Incl. Ref.88-2250
Housing Assembly-Axle (Incl. Ref.88-2630
Shim (.030) 24 5960A028 A/R 72101 Shim (.030)88-3140
Shim (.020) 24 23 5960A028 A/R 72101 Shim (.020)88-2380
Cover Assembly (Incl. Ref.88-2210
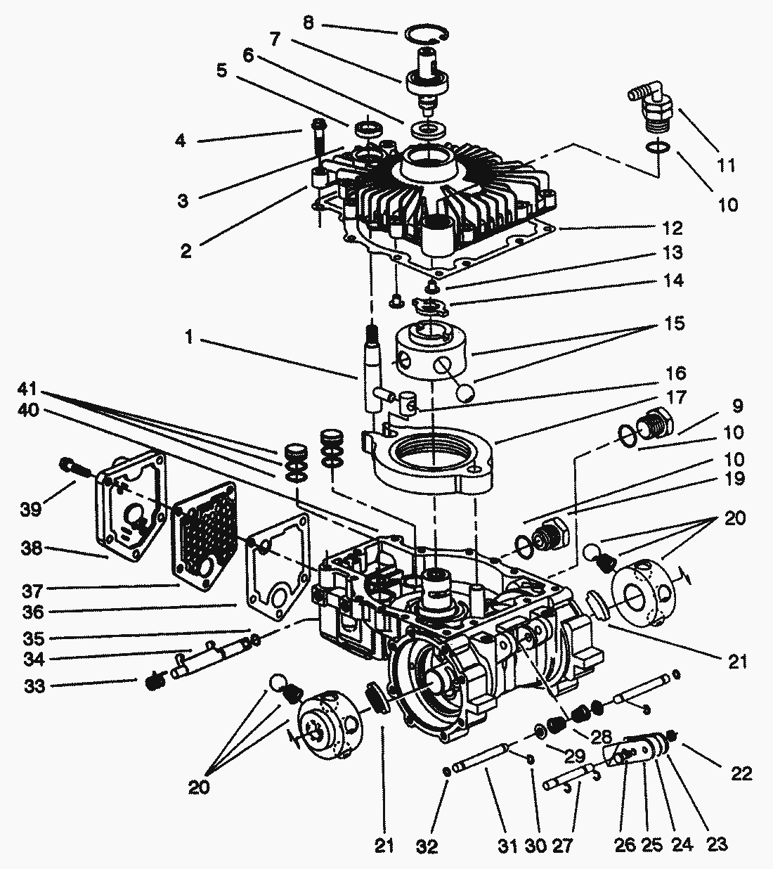
Ersatzteilliste


Pos.BezeichnungErsatzteilnummer
1Shaft-Control88-2200
3Cover88-2220
4Screw88-2230
5Seal-Control Shaft112605
6Seal-Input Shaft112604
7Welle88-2240
8Ring-Retaining112600
10Seal-ORing88-2260
11Fitting 90ø88-2270
12Gasket-Cover88-2280
13Button112595
14Drive88-2290
15Pump Assembly, Rotor Ball88-2300
16Insert88-2310
17Ring Assembly-Cam88-2320
19Nut-Assembly88-2340
20Nut-Assembly88-2340
21Pad-Friction88-2350
22Nut-Lock88-2360
23Lever-Brake, R.H.88-2370
25Lever-Brake, L.H.88-2390
26Screw-Hex. Hd.88-2400
27Shaft-Brake88-2410
28Spring-Conical,88-2420
29Base-Spring88-2430
30Ring-Retaining88-2440
31Rod-Push88-2450
32Seal-Quad88-2460
33Spring-Dump Valve88-2470
34Bracket-Dump Valve88-2480
35ORing-Seal88-2490
36Gasket-filter88-2500
37Filter88-2510
38Cover-Valve88-2520
39Screw-Hex. Hd.88-2530
40Housing88-2540
41Housing88-2540
Ersatzteilliste


Pos.BezeichnungErsatzteilnummer
1Ring-Retaining88-2560
2Bearing-Ball88-2570
3Seal-Radial Lip88-2580
4Shaft-Axle88-2590
5Ring-Retaining88-2600
6Washer-Thrust88-2610
7Housing-Axle88-2620
8Gasket-Axle Housing88-2640
9Plate-Reaction88-2650
10Plate-Backup88-2660
11Gear-Ring, 57 Tooth88-2670
12Gear-First, 15 Tooth88-2680
13Gear-Planet, First88-2690
14Carrier Primary88-2800
15Gear-Second, 15 Tooth88-2810
16Gear-Second, 21 Tooth88-2820
17Carrier-Secondary88-2830
18Screw88-2840
Gebrauchsanweisungen
Toro
Impressum
(C) by motoruf