Zurück zu
>
Roth / TORO
>
Handgeräte
>
Rasenmäher
>
4-Takt Radantrieb
>
459/20821 B
>
6900001
>
Motor GTS 150
Ersatzteillisten für Toro Roth / TORO Motor GTS 150
Ersatzteilliste 1
Ersatzteilliste 2
Ersatzteilliste 3
Ersatzteilliste 4
Ersatzteilliste 5
Ersatzteilliste 6
Ersatzteilliste 7
Ersatzteilliste 8
Ersatzteilliste 9
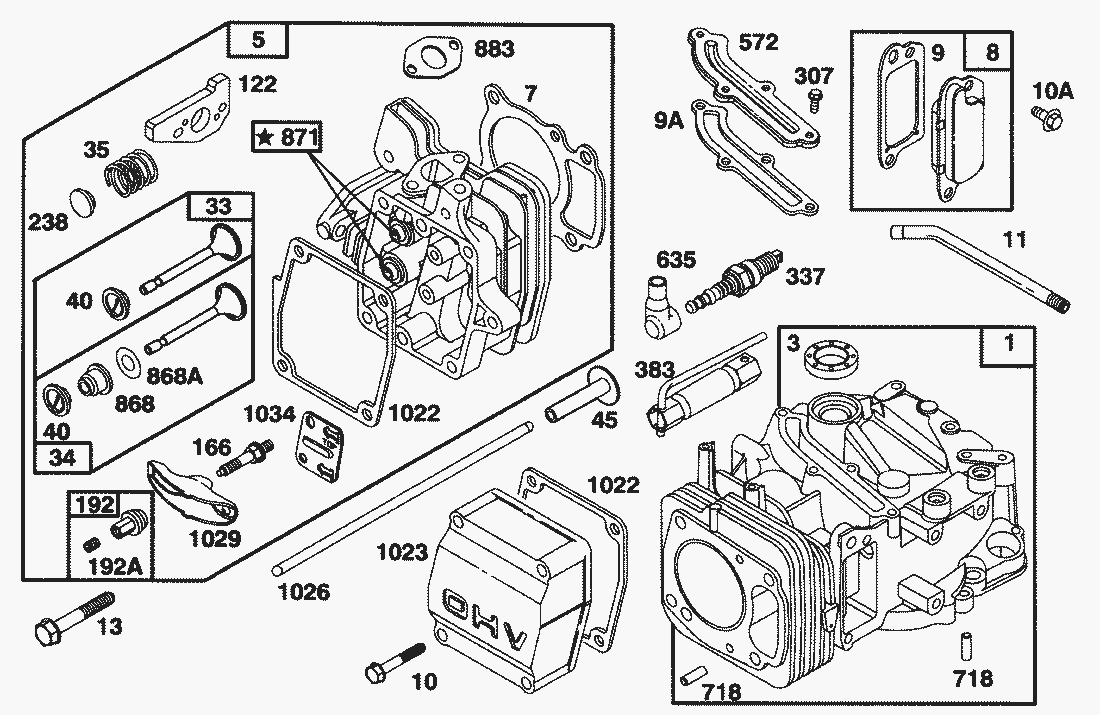
Pos.
Bezeichnung
Ersatzteilnummer
1
Zylinder
77-7590
3
Seal-Oil
77-9060
5
Zylinderkopf Komplett
77-7730
7
Zylinderkopfdichtung
77-7740
8
Breather Assy.
77-9300
9
Dichtung
77-9250
9
Dichtung
77-7410
10
Schraube
77-7360
10
Screw-Hex Head
77-9200
11
Entlueftungsschlauch
77-9410
13
Screw-Cylinder Head
94-1675
33
Auslassventil
77-7860
34
Einlassventil
77-7880
35
Ventilfeder
77-7810
40
Ventilteller
77-7870
45
Ventilstoessel
77-7610
122
Adapter
77-7820
166
Stehbolzen
77-7780
192
Nut-Hex Special
77-7910
192
Schraube
77-9310
238
Ventilkappe
77-7800
307
Schraube
77-7420
337
Zuendkerze
77-7330
383
Wrench-Spark Plug
94-1664
572
Baffle-Cylinder
77-7400
635
Kerzenstecker
77-7340
718
Dowel-Sleeve
77-7600
868
Dichtung
94-1669
868
Gasket-Valve
77-7900
871
Bushing-Guide
77-7850
883
Auspuffdichtung
77-7760
1022
Dichtung
77-7320
1023
Ventildeckel
77-9320
1026
Stoesselstange
77-7620
1029
Kipphebel
77-7790
1034
Guide-Push Rod
77-7770
Pos.
Bezeichnung
Ersatzteilnummer
12
Oelwannendichtung
77-7550
15
Plug-Pipe
77-9590
16
Kurbelwelle
77-7520
18
Oelwanne
77-7560
20
Simmerring
77-7570
22
Schraube
77-9070
25
Kolben
77-7690
26
Kolbenringsatz
77-7700
27
Kolbensicherung
77-7710
28
Kolbenbolzen
77-9340
29
Pleuel
77-7670
32
Pleulschraube
77-9350
46
Nockenwelle
77-7490
116
Dichtung
77-7660
188
Schraube
94-1652
219
Reglerzahnrad
77-7500
227
Reglerhebel
77-7370
230
Scheibe
77-7470
305
Schraube
77-8310
523
Oelmesstab
77-7260
524
O-Ring
77-7270
525
Oeleinfuellrohr
77-7280
562
Bolt-Governor Lever
94-1670
592
Nut-Hex.
94-1671
615
Sicherungsscheibe
77-7480
616
Reglerhebel
77-7460
741
Zahnrad
77-7530
842
O.Ring
77-7300
979
Deckel
77-7650
1024
Oelpumpe
77-7640
Pos.
Bezeichnung
Ersatzteilnummer
95
Screw-Round Head
77-8090
98
Duese
77-8240
104
Schwimmerbolzen
77-8180
108
Chokklappe
77-9600
116
Dichtung
77-8210
117
Duese
94-1672
118
Duese
77-9620
124
Schraube
77-7970
125
Vergaser
77-9630
130
Valve-Throttle
77-8080
131
Drosselachse
77-8160
133
Schwimmer
77-8170
134
Valve-Float (Includes Seat)
77-8110
136
Schwimmertopf
77-7240
137
Dichtung
77-8200
141
Chokwelle
77-8130
147
Duese
77-9640
634
Dichtring
77-8150
955
Schraube
77-8220
975
Schwimmertopf
77-8190
1011
Schlauch
77-8040
1039
Limiter-Float
77-7250
1091
Kappe
77-9650
Pos.
Bezeichnung
Ersatzteilnummer
98
Screw Assy-Speed Adj.
77-8020
163
Dichtung
77-7960
201
Reglergestaenge
77-7980
209
Reglerfeder
77-7990
529
Entlueftungsschlauch
77-9470
535
Filtereinsatz
77-7950
Element Paper (Optional)
77-9010
618
Feder
77-8140
620
Grundplatte
77-8000
621
Kurzschluss Schalter
77-8010
966
Filtergehaeuse
77-7940
968
Filterdeckel
77-7040
969
Knopfschraube
77-7920
971
Schraube
77-7930
Pos.
Bezeichnung
Ersatzteilnummer
55
Startergehaeuse
94-1666
56
Seilscheibe Mit Feder
94-1657
58
Rope-Starter (Cut To Suit)
94-1668
59
Seilklemme
77-7210
60
Startergriff
77-8510
65
Schraube
77-8300
456
Deckel
94-1659
459
Starterklinke
94-1654
461
Screw-Rewind Starter
94-1660
515
Spring-Torsion
94-1655
608
Starter Assy-Rewind
77-8450
Pos.
Bezeichnung
Ersatzteilnummer
23
Schwungrad
77-8320
24
Keil
77-8340
258
Schraube
77-8870
304
Housing-Blower
77-9480
305
Schraube
77-8390
332
Mutter
94-1673
333
Armature-Magneto
77-8420
334
Screw-Armature Mtg.
77-9420
356
Wire-Ground
77-8400
423
Schraube
77-9520
455
Cup-Starter
94-1653
474
Magnetspule
77-8370
851
Terminal-Spark Plug
77-9450
922
Bremsfeder
94-1663
923
Motorbremse
77-9460
935
Switch-Starter
77-9530
980
Halterung
77-7140
1002
Ring
77-7180
Pos.
Bezeichnung
Ersatzteilnummer
180
Tank
77-8580
182
Tankhalterung
77-7170
187
Hose-Fuel (Cut To Suit)
78-4100
300
Auspuff
77-8640
346
Schraube
94-1674
601
Clamp-Fuel Hose
78-4690
670
Distanzbuechse
77-9030
674
Schraube
77-8600
832
Auspuffschutz
77-9290
958
Benzinhahn
77-9440
1041
Dichtung
77-8590
Pos.
Bezeichnung
Ersatzteilnummer
22
Schraube
77-8720
74
Schraube
77-7420
309
E-Starter Fuer Gts 150
77-8670
310
Screw-Hex Head
77-8710
510
Drive Kit
77-8910
513
Starterkupplung
77-8770
544
Armature Assembly
77-8730
548
Washer Set
77-8740
782
Starterzahnrad
77-8810
783
Ritzel
77-8760
784
Deckel
77-8780
785
Gasket-Cover
77-8790
801
Starterhalterung
77-8680
802
Deckel Mit Kohlen
77-8690
803
Startergehaeuse
77-8700
925
Cover-Starter
77-7200
937
Starterschnecke
77-8820
938
Retainer-Lock
77-8830
Pos.
Bezeichnung
Ersatzteilnummer
121
Vergaser Rep.-Satz
77-9580
358
Dichtungssatz
77-8900
868
Seal Assy.-Valve
77-7890
977
Dichtungssatz
77-8930
Gebrauchsanweisungen
Toro
Roth / TORO
Aufsitzmäher
Handgeräte
Kehrmaschinen
Schneefräsen
Sauger/Bläser
Rasenmäher
Grasfangvorrichtungen
4-Takt Radantrieb
498/26638
498/26633
498/26633 B
498/26631 B
496/26639
496/26636
496/26636 B
496/26635 BC
496/26625 BG
495/26637
495/26632
495/26632 B
495/26630 BC
495/26630 BG
495/26620 BG
494/20784
494/20791
493/20783
493/20789
492/20787
492/20778
491/20786
491/20777
491/20328 B
490/20327 B
489/20927 B
489/20926 B
489/20925
488/20920
487/20914
487/20909 BC
487/20905
479
477
469
465/20781
465/20779
464
459/20824
459/20821
459/20821 B
6900001
Motor GTS 150
Fangkorb
Betätigung
Holm
Hinterachse (Antrieb)
Getriebegehäuse Nr. 71-9600
Motor
Gehäuse
459/20820 BC
458/20823
458/20822
457
456/20808
456/20808 B
456/20807 BC
456/20806 B
455/20803
455/20803 B
455/20802 BC
455/20801 B
453
449
439
437/22173
437/22157
437/22154
437/22154 B
437/22153 BC
434
424
421/20652
417/20832
417/20829
417/20827
416/20831
416/20828
416/20826
415/20817
415/20811
4-Takt
2-Takt Radantrieb
2-Takt
Elektro
Akku
Robin
Impressum
(C) by motoruf