Zurück zu
>
Roth / TORO
>
Handgeräte
>
Rasenmäher
>
4-Takt Radantrieb
>
459/20821 B
>
6900001
>
Hinterachse (Antrieb)
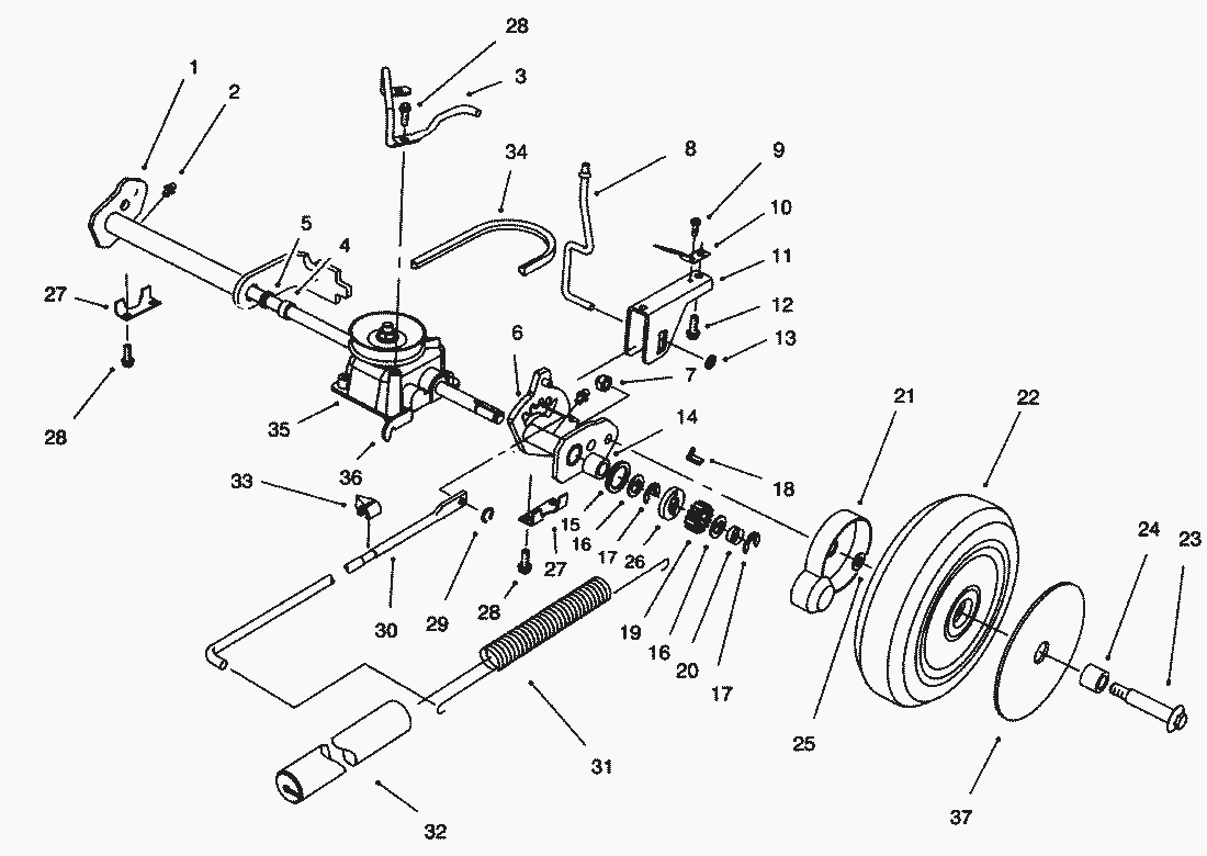
Ersatzteillisten für Toro Roth / TORO Hinterachse (Antrieb)
Pos.
Bezeichnung
Ersatzteilnummer
1
Antriebsachse-Rechts
92-9680
2
Fettnippel
302-26
3
Retainer-Belt
71-9850
4
Buechse
47-2890
5
Simmerring
47-6730
6
Antriebsachse-Links
92-9677
7
Stopmutter
3296-5
8
Gestaenge
71-7840
9
Schraube
32144-31
10
Federblech
71-8060
11
U.-Buegel
71-8080
12
Schraube
63-8590
13
Sicherungskappe
32112-13
14
Nadellager
48-2060
15
Gummiring
65-4710
16
Druckscheibe
65-4740
17
Sicherungsring
65-2720
18
Freilaufsperre Li.
66-6050
Freilaufsperre Re.
66-6040
19
Antriebsritzel
65-4750
20
Feder
65-4720
21
Radabdeckung
74-1660
22
Rad
14-9959
23
Radbolzen
27-6230
24
Buchse
27-6250
25
Distanzscheibe
74-1670
26
Kupplungsscheibe
65-4760
27
Lasche
71-7770
28
Schraube
32144-4
29
Seegerring
32151-93
30
Gestaenge
71-7970
31
AUSGLEICHSFEDER
71-7740
32
Federabdeckung
71-8450
33
Zeiger
71-7980
34
Keilriemen
71-9450
35
Getriebe
71-9600
36
Bracket-Traction
71-9630
37
Radabdeckung
92-7663
Gebrauchsanweisungen
Toro
Roth / TORO
Aufsitzmäher
Handgeräte
Kehrmaschinen
Schneefräsen
Sauger/Bläser
Rasenmäher
Grasfangvorrichtungen
4-Takt Radantrieb
498/26638
498/26633
498/26633 B
498/26631 B
496/26639
496/26636
496/26636 B
496/26635 BC
496/26625 BG
495/26637
495/26632
495/26632 B
495/26630 BC
495/26630 BG
495/26620 BG
494/20784
494/20791
493/20783
493/20789
492/20787
492/20778
491/20786
491/20777
491/20328 B
490/20327 B
489/20927 B
489/20926 B
489/20925
488/20920
487/20914
487/20909 BC
487/20905
479
477
469
465/20781
465/20779
464
459/20824
459/20821
459/20821 B
6900001
Motor GTS 150
Fangkorb
Betätigung
Holm
Hinterachse (Antrieb)
Getriebegehäuse Nr. 71-9600
Motor
Gehäuse
459/20820 BC
458/20823
458/20822
457
456/20808
456/20808 B
456/20807 BC
456/20806 B
455/20803
455/20803 B
455/20802 BC
455/20801 B
453
449
439
437/22173
437/22157
437/22154
437/22154 B
437/22153 BC
434
424
421/20652
417/20832
417/20829
417/20827
416/20831
416/20828
416/20826
415/20817
415/20811
4-Takt
2-Takt Radantrieb
2-Takt
Elektro
Akku
Robin
Impressum
(C) by motoruf