Zurück zu
>
Roth / TORO
>
Aufsitzmäher
>
Traktor
>
520 Lxi
>
521/73546
>
8900001
>
Kurbelgehäuse
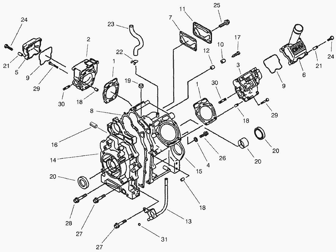
Ersatzteillisten für Toro Roth / TORO Kurbelgehäuse
Pos.
Bezeichnung
Ersatzteilnummer
1
Zylinderkopfdichtung
95-9700
2
Head-Cylinder
95-9701
3
Head-Cylinder
95-9702
4
Dichtung
95-9703
5
Cover-Rocker
95-9704
6
Cover-Rocker
95-9705
7
Dichtung
95-9706
8
Dichtung
95-9707
9
Ventildeckeldichtung
95-9708
10
Plate
95-9709
11
Cover
95-9710
12
Valve
95-9711
13
Pipe-Oil Level
98-7369
14
Cover-Crankcase
95-9713
15
Crankcase Assembly
95-9714
16
Joint
95-9715
17
Screw
95-9716
18
Zentrierstift
93-8512
19
Simmerring
Kw10227
20
Simmerring
95-9717
21
Collar
95-9719
22
Clamp
95-9720
23
Schlauch
95-9721
24
Bolzen
93-8548
25
Bolt-Flanged
93-8679
26
Bolt-Flanged
95-9722
27
Bolt-Flanged
Kw10035
28
Bolt-Flanged
95-9723
29
Bolt-Flanged
95-9724
30
Bolt-Stud
95-9725
31
O.Ring
95-9726
Gebrauchsanweisungen
Toro
Roth / TORO
Aufsitzmäher
Traktor
264-6
246 HE
244-5
212-H
212-5
17-44 HXLE
16-44 HXL
16-38 HXL
16-38 XLE
15-44 HXL
15-38 HXL
14-38 HXL
14-38 XL
13-38 HXL
13-38 XL
13-32 XLE
12-38 HXL
12-38 XL
12-32 XL
264 H
265 H
267 H
268 H
270 H
520 xi
520 Lxi
521/73546
8900001
Stoßfänger & Haube
Lenksäule & Kraftstofftank
'Attach a matic' -Aufhängung
Servolenkung unten
Servolenkung & Kippen
Befestigungen, Spindel & Vorderachse
Hydraulik Getriebeachse
Hydraulik Getriebeachse (Fortsetzung)
Antriebswelle
Hydro-Aushebung - untere Gruppe
Hydro-Aushebung - obere Gruppe
Haube & Scheinwerfer
Grill & Seitenverkleidung
Armaturenbrett
Kotflügel, Fußauflage & Sitz
Kotflügel, Fußauflage & Sitz (Fortsetzung)
Lenkeinrichtung
Umschaltung
Feststellbremse
Hydraulikbetätigungen
Lenkeinrichtung
Feststellbremse unten
Tempomat Betätigung
Kotflügel & Kraftstoffsystem
Rad
Wassergekühlter Benzinmotor
Wassergekühlter Benzinmotor (Fortsetzung)
Elektrik
Getriebe
Kurbelgehäuse
Kolben & Kurbelwelle
Ventil/Nockenwelle
Ölpumpe & Filter
Wasserpumpe
Elektrik
Regler
Vergaser
Luftfilter
Kraftstoffpumpe & Filter
Starter
521/73580
523 Dxi
Rider
Mähwerke
Zubehör
Handgeräte
Robin
Impressum
(C) by motoruf