Zurück zu
motoruf
Warenkorb

Ersatzteillisten für Toro Roth / TORO Beleuchtung




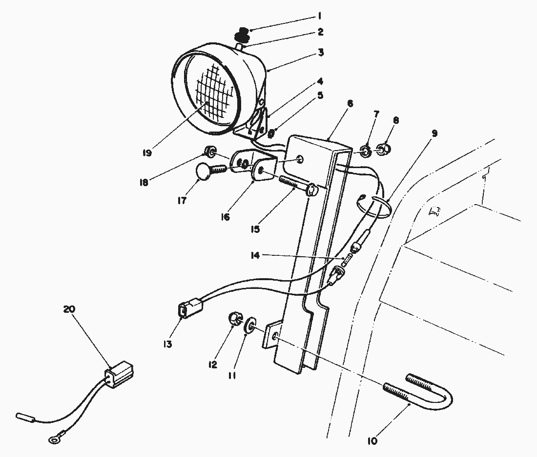
Pos.BezeichnungErsatzteilnummer
Light Assembly (Incl. Ref.66-7930
Ersatzteilliste


Pos.BezeichnungErsatzteilnummer
1Schalter-Abdeckung218-473
2Schalter218-553
3Bucket-Headlamp218-552
4Halter218-554
5Federring3255-8
6Mount-Lamp68-7110
7Federring3253-21
8Mutter3217-7
9Tie Wrap3290-378
10U-Buegel68-7140
11Scheibe3256-23
12MUTTER3296-29
13Kabelbaum54-9810
14
15Schraube322-13
16U.Buegel218-556
17Schraube3231-2
18Mutter32128-35
19Birneneinsatz 12v/18watt218-16
20Kabelbaum54-9810
Lampe Kpl.54-9871
Gebrauchsanweisungen
Toro
Impressum
(C) by motoruf