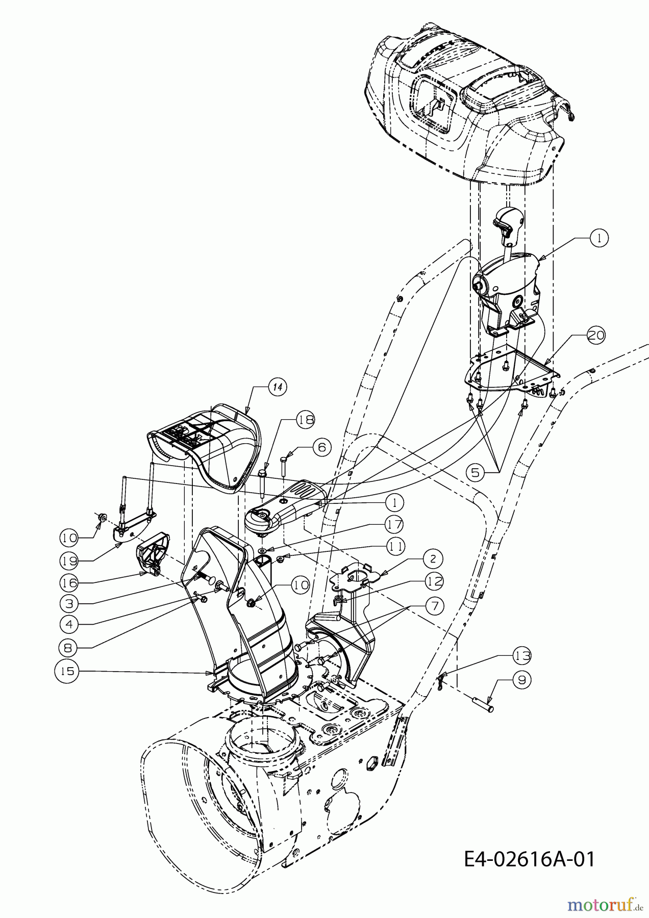
White E 660 G 31AE6LLG590 (2007) Auswurfschacht Ersatzteile
Auswurfschacht 31AE6LLG590 (2007)

Hier finden Sie die Ersatzteilzeichnung für White Schneefräsen E 660 G 31AE6LLG590 (2007) Auswurfschacht. Wählen Sie das benötigte Ersatzteil aus der Ersatzteilliste Ihres White Gerätes aus und bestellen Sie einfach online. Viele White Ersatzteile halten wir ständig in unserem Lager für Sie bereit.


Qualitätsmanagement
Informieren Sie uns, wenn Sie einen Fehler gefunden haben.








