Cub Cadet HDS 3200 14A-652-603 (2002) Hydrostat Ersatzteile
Hydrostat 14A-652-603 (2002)

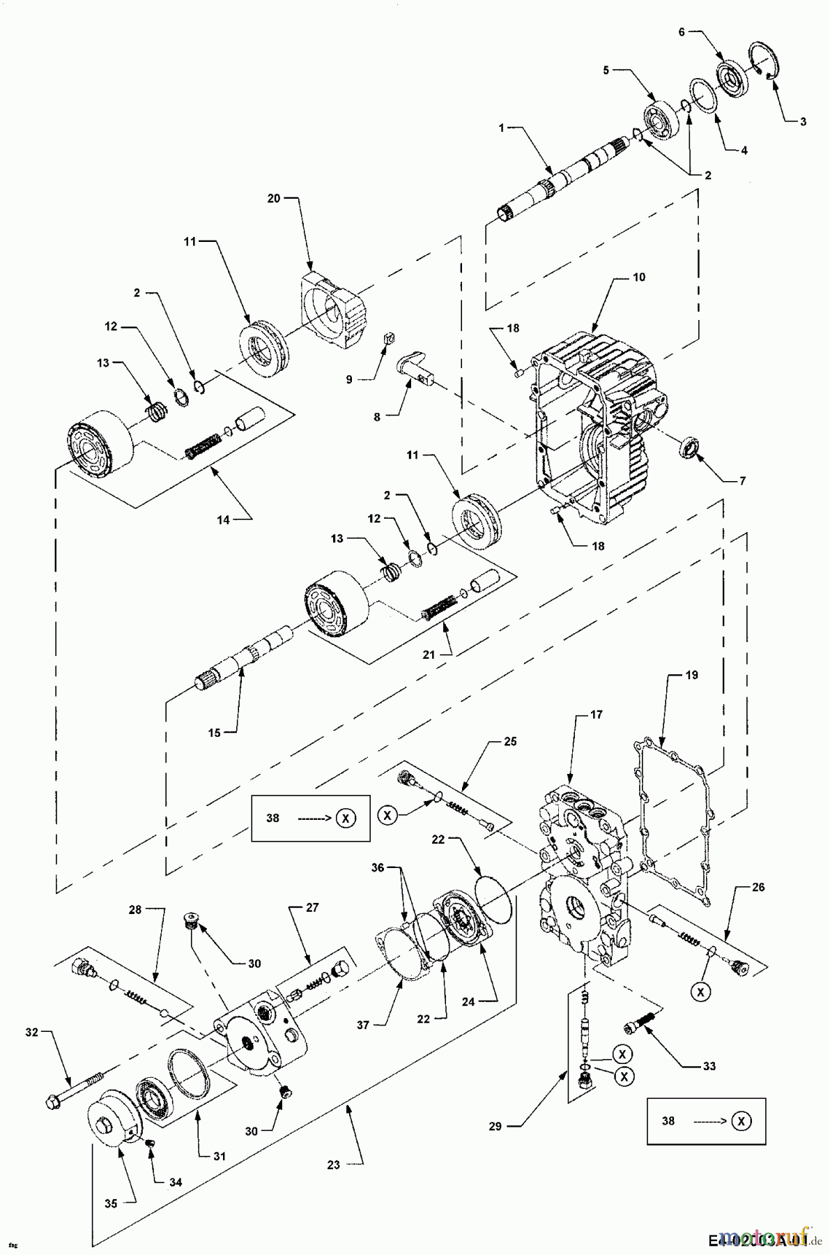
Hier finden Sie die Ersatzteilzeichnung für Cub Cadet Gartentraktoren HDS 3200 14A-652-603 (2002) Hydrostat. Wählen Sie das benötigte Ersatzteil aus der Ersatzteilliste Ihres Cub Cadet Gerätes aus und bestellen Sie einfach online. Viele Cub Cadet Ersatzteile halten wir ständig in unserem Lager für Sie bereit.



