Golf 132 VE 02890.01 (1985) Ersatzteile
02890.01 (1985) 132 VE

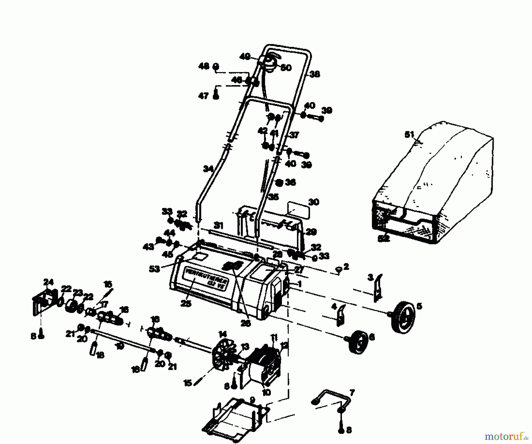
Hier finden Sie die Ersatzteilzeichnung für Golf Elektrovertikutierer 132 VE 02890.01 (1985) Grundgerät. Wählen Sie das benötigte Ersatzteil aus der Ersatzteilliste Ihres Golf Gerätes aus und bestellen Sie einfach online. Viele Golf Ersatzteile halten wir ständig in unserem Lager für Sie bereit.




