Yard-Man HH 8200 14AU834H643 (1998) Mähwerksaushebung, Rahmen hinten, Räder hinten Ersatzteile
Mähwerksaushebung, Rahmen hinten, Räder hinten 14AU834H643 (1998)

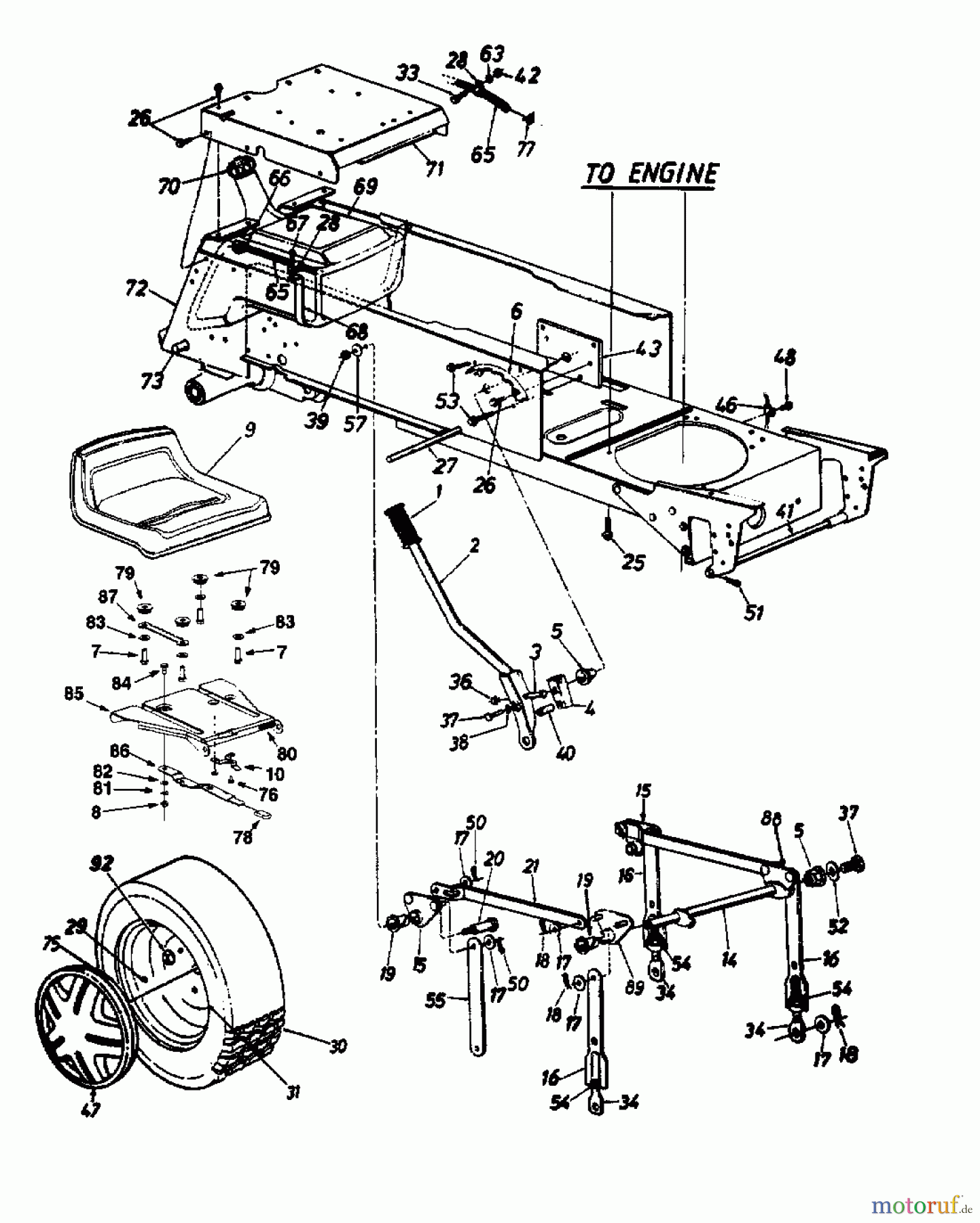
Hier finden Sie die Ersatzteilzeichnung für Yard-Man Gartentraktoren HH 8200 14AU834H643 (1998) Mähwerksaushebung, Rahmen hinten, Räder hinten. Wählen Sie das benötigte Ersatzteil aus der Ersatzteilliste Ihres Yard-Man Gerätes aus und bestellen Sie einfach online. Viele Yard-Man Ersatzteile halten wir ständig in unserem Lager für Sie bereit.






















