Yard-Man YM 1314 E 18D-Z1F-643 (2010) Heckklappe, Mähwerksgehäuse Ersatzteile
Heckklappe, Mähwerksgehäuse 18D-Z1F-643 (2010)

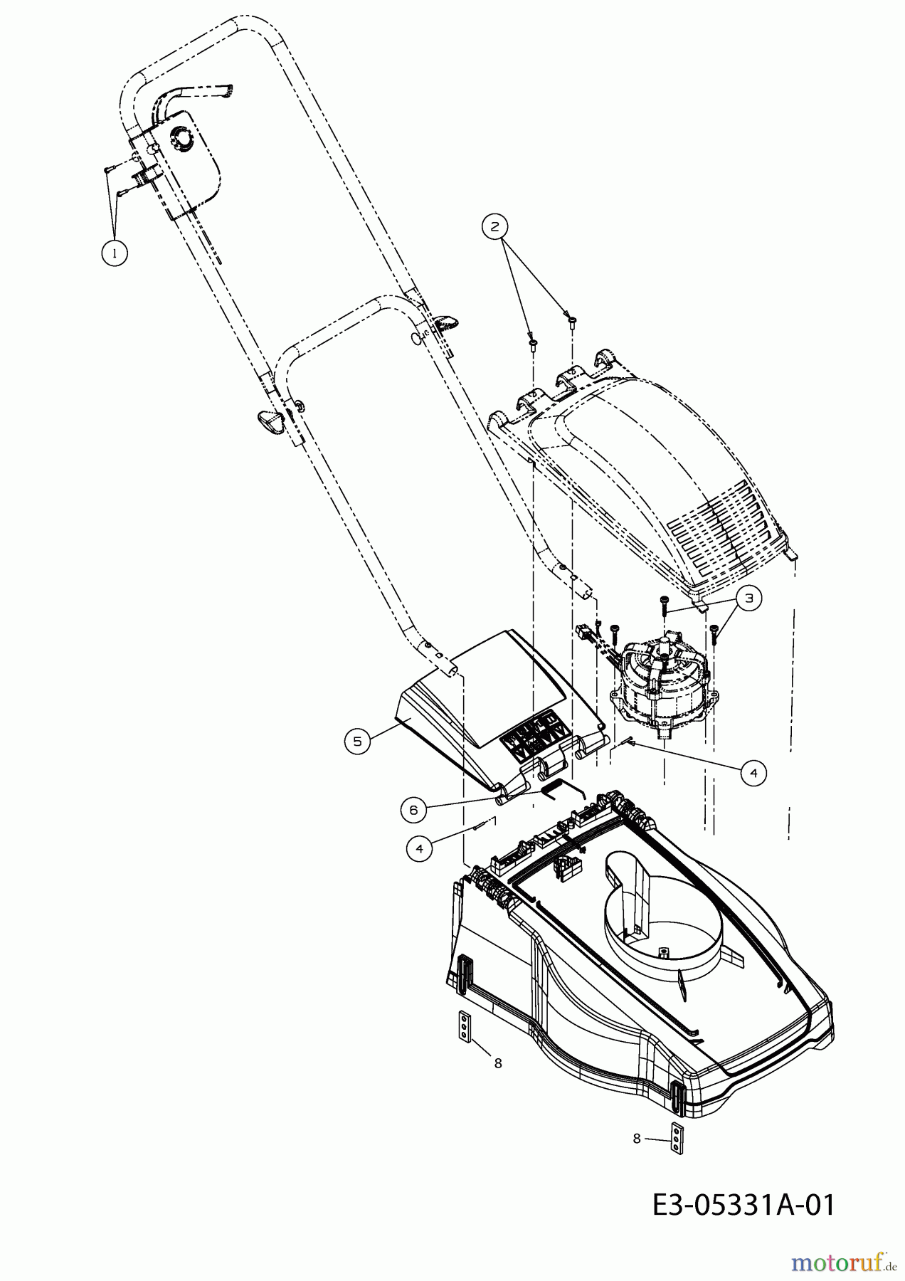
Hier finden Sie die Ersatzteilzeichnung für Yard-Man Elektromäher YM 1314 E 18D-Z1F-643 (2010) Heckklappe, Mähwerksgehäuse. Wählen Sie das benötigte Ersatzteil aus der Ersatzteilliste Ihres Yard-Man Gerätes aus und bestellen Sie einfach online. Viele Yard-Man Ersatzteile halten wir ständig in unserem Lager für Sie bereit.


Qualitätsmanagement
Informieren Sie uns, wenn Sie einen Fehler gefunden haben.


