BLACK+DECKER 18V RECIP.SAW - ITALY RSA18K Ersatzteile
RSA18K 18V RECIP.SAW - ITALY

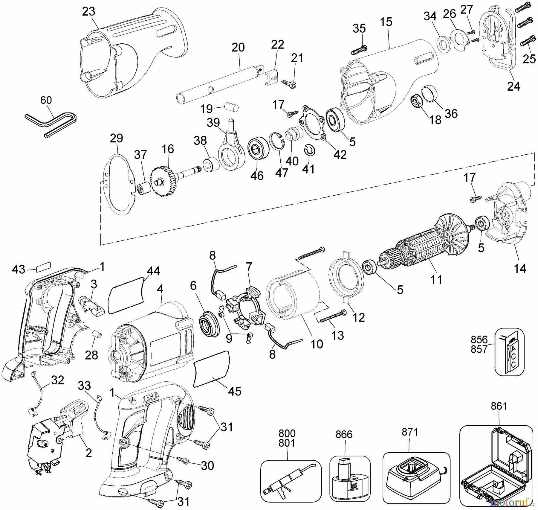
Hier finden Sie die Ersatzteilzeichnung für BLACK+DECKER Divers 18V RECIP.SAW - ITALY RSA18K Seite 1. Wählen Sie das benötigte Ersatzteil aus der Ersatzteilliste Ihres BLACK+DECKER Gerätes aus und bestellen Sie einfach online. Viele BLACK+DECKER Ersatzteile halten wir ständig in unserem Lager für Sie bereit.


Qualitätsmanagement
Informieren Sie uns, wenn Sie einen Fehler gefunden haben.

