PORTER CABLE TIGER SAW KIT KEYLES PC9737 Ersatzteile
PC9737 TIGER SAW KIT KEYLES

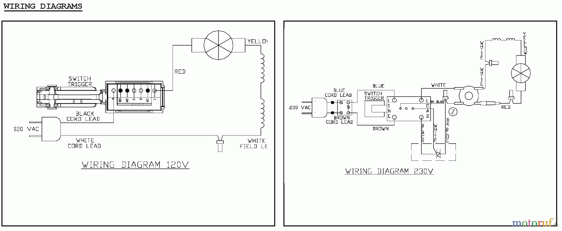
Hier finden Sie die Ersatzteilzeichnung für PORTER CABLE Divers TIGER SAW KIT KEYLES PC9737 Seite 2. Wählen Sie das benötigte Ersatzteil aus der Ersatzteilliste Ihres PORTER CABLE Gerätes aus und bestellen Sie einfach online. Viele PORTER CABLE Ersatzteile halten wir ständig in unserem Lager für Sie bereit.



