Einstellungen Computer

BOSTITCH AIR COMPRESSOR CWC100 Ersatzteile

CWC100 AIR COMPRESSOR

 BOSTITCH COMPRESSORS AIR COMPRESSOR CWC100 Seite 1

Hier finden Sie die Ersatzteilzeichnung für BOSTITCH COMPRESSORS AIR COMPRESSOR CWC100 Seite 1. Wählen Sie das benötigte Ersatzteil aus der Ersatzteilliste Ihres BOSTITCH Gerätes aus und bestellen Sie einfach online. Viele BOSTITCH Ersatzteile halten wir ständig in unserem Lager für Sie bereit.

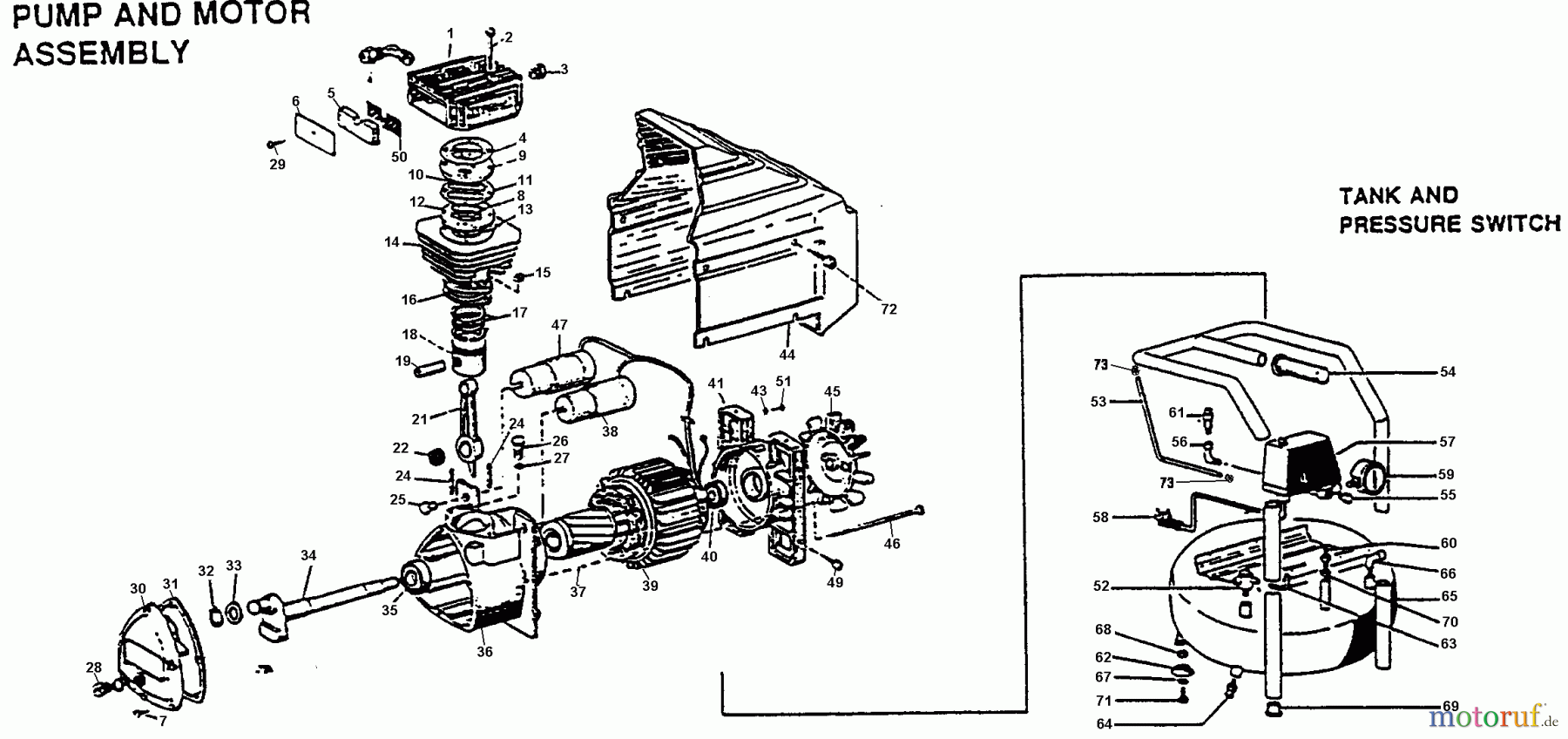
BildNrArtikel NummerBezeichnung
1 SB-5030011008BOSTITCH OBSOLETE PT
2 SB-7011010000SCREW-HHCS-M6X1.0X5.
3 SB-7196010000STARTING VALVE 3/8
4 SB-7084040000ANSCHLUSS
5 SB-7210010000FILTERELEMENT G3 18550147/0
6 SB-7458011000FILTERPLATTE
7 SB-7012100000SCHRAUBE
8 SB-4081010000REED VALVE KIT 10PZ
9 SB-7458020000BOSTITCH OBSOLETE PT
10 SB-4081010000REED VALVE KIT 10PZ
11 SB-4081010000REED VALVE KIT 10PZ
12 SB-7458020000BOSTITCH OBSOLETE PT
13 SB-4081010000REED VALVE KIT 10PZ
14 SB-7575100000ZYLINDER
15 SB-7020070000MUTTER
16 SB-4081010000REED VALVE KIT 10PZ
17 SB-4080020000KOLBENRING-SATZ
18 SB-5140053-23KOLBEN
19 SB-7050020000WRIST PIN
21 SB-5050091008CONNECTING ROD CWC1
22 SB-7061010000ROLLER BEARING DB20
24 SB-7015020000STUD M8 X 32 ZINC
25 SB-7028010000MUTTER
26 SB-7098010000VERSCHLUSSTOPFEN
27 SB-7070010000O-RING-2.874X.070
28 SB-7180050000OIL LEVEL SIGHT GLAS
29 SB-7012060000SCREW-CRPHS-M4X0.7X1
31 SB-7078320000CRANK CASE COVER GAS
32 SB-7040040000SICHERUNGSRING
33 SB-7038010000SCHEIBE A4,3 DIN 9021-ST
34 SB-5040020008CRANK SHAFT GM130
35 SB-7060020000BALL BEARING 6205 2R
37 SB-5090040008ROTOR D80 L75 GM100
38 SB-7310100000CONDENSER MF20 V450
39 SB-4010520000BOSTITCH OBSOLETE PT
40 SB-7060010000KUGELLAGER
41 SB-5110060008MOTOR HOUSING BACK P
43 SB-7031020000UNTERLEGSCHEIBE
44 SB-7150810000GEHAEUSE
45 SB-7201280000LÜFTER
46 SB-7018010000HOUSING BOLTS M6 X 1
47 SB-7310140000CONDENSER MF40 V250
49 SB-7012090000MOTOR BASE SCREWS
50 SB-7458031000FILTLER SCREEN PLATE
51 SB-7013060000SCHRAUBE
52 SB-7190040000HEAD UNLOADER VALVE
53 SB-7239160000FILLER PIPE
54 SB-7280030000Einhandgriff (Schalter)
55 SB-7090070000ZÜNDKERZE
56 SB-7080180000WINKEL
57 SB-7250320000BOSTITCH OBSOLETE PT
58 SB-7328620000POWER CORD
59 SB-7110180000DRUCKANZEIGEGERÄT
60 SB-7081140000ANSCHLUSS
61 SB-7192270000SAFETY VALVE
62 SB-7270010000RUBBER FOOT PAD
63 SB-7230010000SCHLAUCH
64 SB-7130280000DRAIN VALVE
65 SB-5153170008BOSTITCH OBSOLETE PT
66 SB-7080170000WINKEL
67 SB-7030020000SPERRKANTSCHEIBE SKM8
68 SB-70200600006KT. MUTTER
69 SB-7360040000GUMMI
70 SB-7023040000MUTTER
71 SB-7011040000BOLZEN
72 SB-7012060000SCREW-CRPHS-M4X0.7X1
Rasen
Bankeinzug, MasterCard, Visa, American Express, PayPal, Nachnahme, Vorauskasse, Sofortüberweisung
Datenschutzerklärung Impressum
Qualitätsmanagement
Informieren Sie uns, wenn Sie einen Fehler gefunden haben.