CRAFTSMAN 5 HP SNOW THROWER 536.884790 Ersatzteile
536.884790 5 HP SNOW THROWER

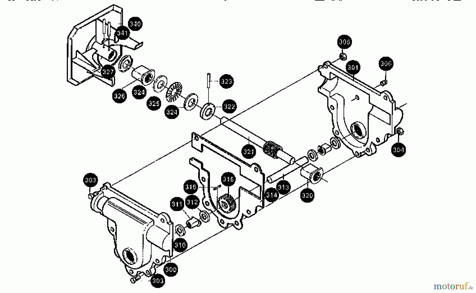
Hier finden Sie die Ersatzteilzeichnung für CRAFTSMAN Divers 5 HP SNOW THROWER 536.884790 Seite 4. Wählen Sie das benötigte Ersatzteil aus der Ersatzteilliste Ihres CRAFTSMAN Gerätes aus und bestellen Sie einfach online. Viele CRAFTSMAN Ersatzteile halten wir ständig in unserem Lager für Sie bereit.
| BildNr | Artikel Nummer | Bezeichnung | |
| 300 | 10577MA | CASE GEAR RH | |
| 301 | 10576MA | CASE GEAR LH | |
| 303 | 710025MA | SCHRAUBE 1/4-20 | |
| 304 | 015X89MA | NUT.25-20 FL | |
| 305 | 703914 | MUTTER | |
| 306 | 704213 | CAPSCREW- | |
| 310 | 9566MA | SEAL OIL .75 | |
| 311 | 50304MA | BRNG FL .752 | |
| 312 | 48275MA | FL. SCHEIBE | |
| 313 | 340284MA | SHAFT AUGER | |
| 314 | 51279MA | GASKET GEAR | |
| 316 | 703891 | SCHLUESSEL | |
| 320 | 50221MA | BRNG FLNG.50 | |
| 321 | 583125MA | SHAFT WORM I | |
| 322 | 580295MA | COLLAR THRUS | |
| 323 | 454565MA | SPANNHUELSE DIN 1481 | |
| 325 | 50684MA | BRNG ROLL .7 | |
| 340 | 760194E701MA | MESSERTRAEGER KOMPL. | |


Qualitätsmanagement
Informieren Sie uns, wenn Sie einen Fehler gefunden haben.

