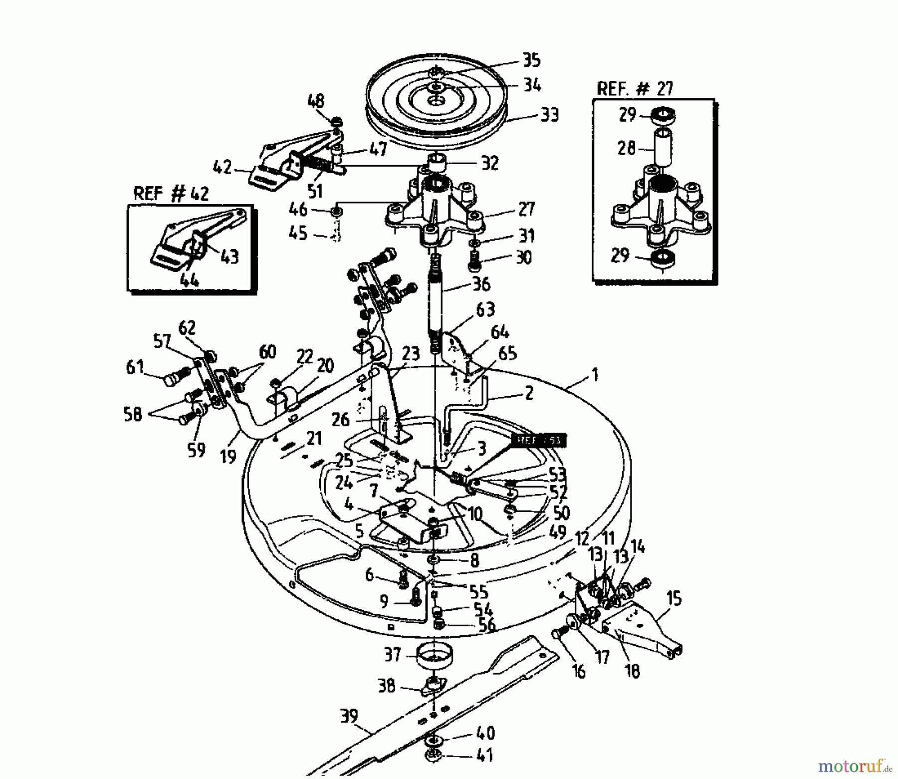
Gutbrod RSB 80-12 00097.07 (1995) Mähwerk 80cm Ersatzteile
Mähwerk 80cm 00097.07 (1995)

Hier finden Sie die Ersatzteilzeichnung für Gutbrod Rasentraktoren RSB 80-12 00097.07 (1995) Mähwerk 80cm. Wählen Sie das benötigte Ersatzteil aus der Ersatzteilliste Ihres Gutbrod Gerätes aus und bestellen Sie einfach online. Viele Gutbrod Ersatzteile halten wir ständig in unserem Lager für Sie bereit.



