Troy-Bilt TB 240 12AVB2AQ311 (2016) Deflektor, Mähwerksgehäuse, Mulchklappe, Leitstück hinten, Waschdüse Ersatzteile
Deflektor, Mähwerksgehäuse, Mulchklappe, Leitstück hinten, Waschdüse 12AVB2AQ311 (2016)

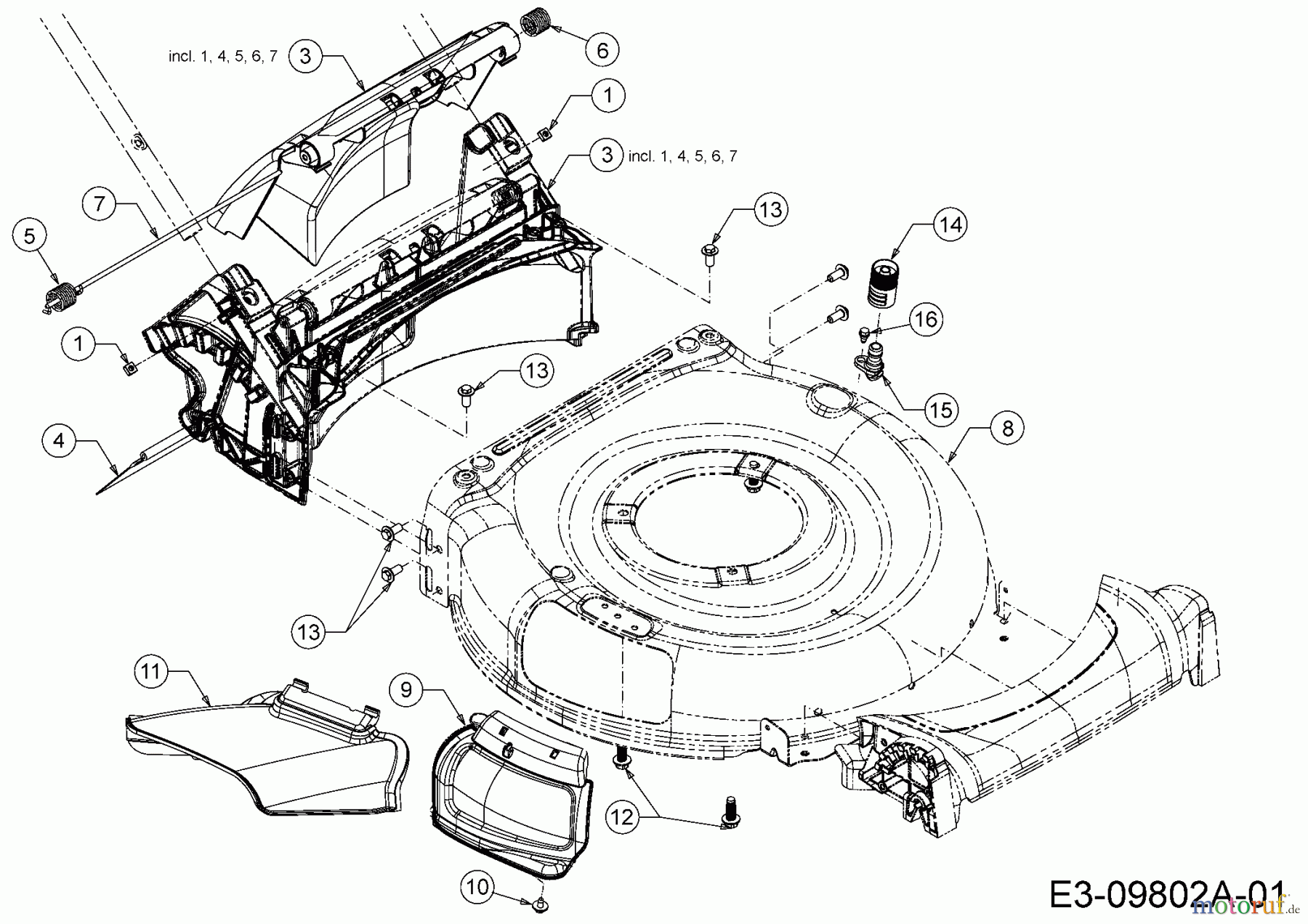
Hier finden Sie die Ersatzteilzeichnung für Troy-Bilt Motormäher mit Antrieb TB 240 12AVB2AQ311 (2016) Deflektor, Mähwerksgehäuse, Mulchklappe, Leitstück hinten, Waschdüse. Wählen Sie das benötigte Ersatzteil aus der Ersatzteilliste Ihres Troy-Bilt Gerätes aus und bestellen Sie einfach online. Viele Troy-Bilt Ersatzteile halten wir ständig in unserem Lager für Sie bereit.


Qualitätsmanagement
Informieren Sie uns, wenn Sie einen Fehler gefunden haben.




