Einstellungen Computer

Cub Cadet XZ 3-48 17BIDGHB603 (2017) Fahrantrieb Ersatzteile

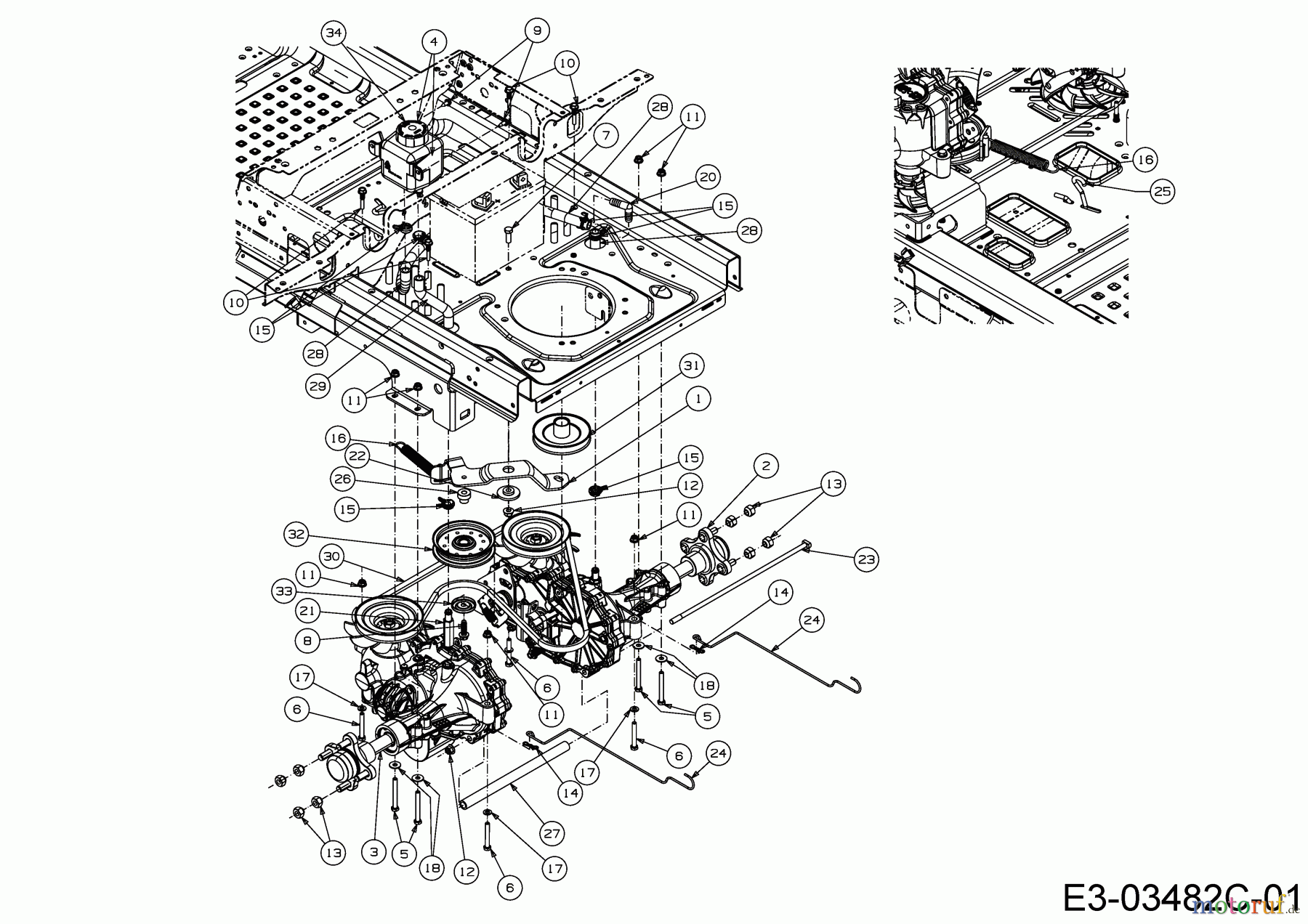
Fahrantrieb 17BIDGHB603 (2017)

 Cub Cadet Zero Turn XZ 3-48 17BIDGHB603  (2017) Fahrantrieb

Hier finden Sie die Ersatzteilzeichnung für Cub Cadet Zero Turn XZ 3-48 17BIDGHB603 (2017) Fahrantrieb. Wählen Sie das benötigte Ersatzteil aus der Ersatzteilliste Ihres Cub Cadet Gerätes aus und bestellen Sie einfach online. Viele Cub Cadet Ersatzteile halten wir ständig in unserem Lager für Sie bereit.

Rasen
Bankeinzug, MasterCard, Visa, American Express, PayPal, Nachnahme, Vorauskasse, Sofortüberweisung
Datenschutzerklärung Impressum
Qualitätsmanagement
Informieren Sie uns, wenn Sie einen Fehler gefunden haben.