Verts Loisirs VLK2 22H107 N 13AF91TG417 (2009) Schaltplan Ersatzteile
Schaltplan 13AF91TG417 (2009)

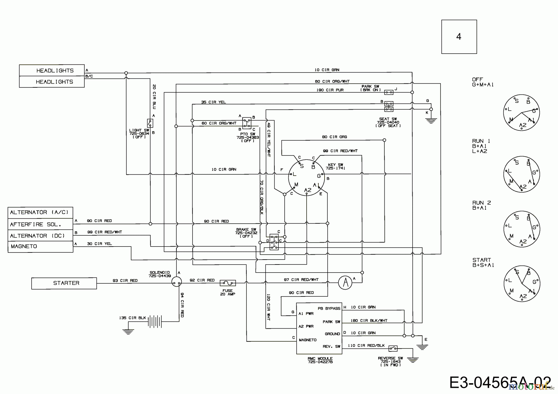
Hier finden Sie die Ersatzteilzeichnung für Verts Loisirs Rasentraktoren VLK2 22H107 N 13AF91TG417 (2009) Schaltplan. Wählen Sie das benötigte Ersatzteil aus der Ersatzteilliste Ihres Verts Loisirs Gerätes aus und bestellen Sie einfach online. Viele Verts Loisirs Ersatzteile halten wir ständig in unserem Lager für Sie bereit.
| BildNr | Artikel Nummer | Bezeichnung | |
| 9 | 725-04820 | HAUPTKABELBAUM | |


Qualitätsmanagement
Informieren Sie uns, wenn Sie einen Fehler gefunden haben.

