Einkaufswagen
Mein Konto

Cub Cadet LTX 1045 13WX91AT056 (2014) Fahrantrieb Ersatzteile

Fahrantrieb 13WX91AT056 (2014)

 Cub Cadet Rasentraktoren LTX 1045 13WX91AT056  (2014) Fahrantrieb

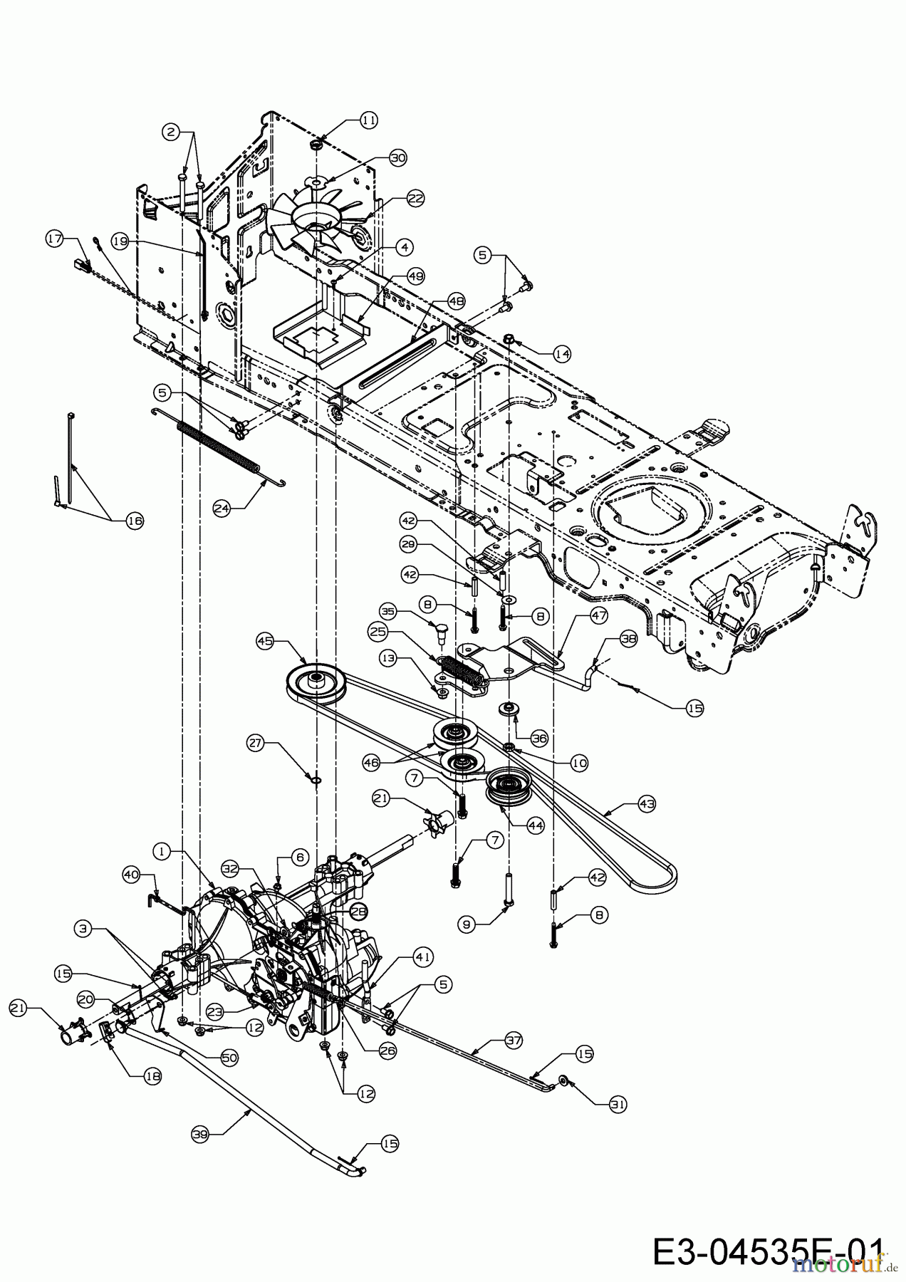
Hier finden Sie die Ersatzteilzeichnung für Cub Cadet Rasentraktoren LTX 1045 13WX91AT056 (2014) Fahrantrieb. Wählen Sie das benötigte Ersatzteil aus der Ersatzteilliste Ihres Cub Cadet Gerätes aus und bestellen Sie einfach online. Viele Cub Cadet Ersatzteile halten wir ständig in unserem Lager für Sie bereit.

BildNrArtikel NummerBezeichnung
1 618-0319GETRIEBE:HYDRO:0510
2 710-01766KT-SCHR:5/16-18:2.75:GR5:STD
3 Cub Cadet 6KT-BLECHSCHR:#8-18:0.500:HXIN710-02276KT-BLECHSCHR:#8-18:0.500:HXIN
4 710-0351KREUZSCHLITZ-SCHR:#10-16:0.500
5 Cub Cadet 6KT-SCHRAUBE:TT:5/16-18:.750710-044846KT-SCHRAUBE:TT:5/16-18:.750
6 Cub Cadet 6KT-SCHRAUBE:TT:1/4-20:0.375710-06536KT-SCHRAUBE:TT:1/4-20:0.375
7 Cub Cadet 6KT-SCHR:TTSEMS:3/8-16:1.500:710-10076KT-SCHR:TTSEMS:3/8-16:1.500:
8 Cub Cadet 6KT-SCHR:TT:1/4-20:1.750:HXIND710-10266KT-SCHR:TT:1/4-20:1.750:HXIND
9 710-30116KT-SCHR:3/8-16:2.25:GR5:STD
10 Cub Cadet 6KT-MUTTER:7/16-20:GR2712-02406KT-MUTTER:7/16-20:GR2
11 712-0346S-MUTTER:JAMLK:1/2-20:GR.A:NYL
12 Cub Cadet 6KT-BUNDMUTTER:5/16-18:NYLON712-040636KT-BUNDMUTTER:5/16-18:NYLON
13 Cub Cadet S-6KT-BUNDMUTTER 3/8-16:NYLON712-04065S-6KT-BUNDMUTTER 3/8-16:NYLON
14 Cub Cadet S-MUTTER:FLGLK:3/8-16:GRF:TOP712-0431S-MUTTER:FLGLK:3/8-16:GRF:TOP
15 Cub Cadet SPLINT:3/32 x 1.0"714-0111SPLINT:3/32 x 1.0"
16 725-0157KABELBINDER: 3/16 X .05 X 7.4
17 725-04791AÜBERBRÜCKUNGSKABEL:NX9:HYDRO
18 Cub Cadet SCHALTKONTAKT:KURZ725-1644SCHALTKONTAKT:KURZ
19 726-0154KABELBINDER 7.5 LG:NYLON 6/6
20 726-0320ISOLIERPLATTE
21 731-05299AAUFSTECKHÜLSE:.765 ID x 1.5"LG
22 Cub Cadet LÜFTERRAD:HYDRO:LEICHT731-06098LÜFTERRAD:HYDRO:LEICHT
23 732-0209ZUGFEDER: .48 OD x 2.03
24 732-04606ZUGFEDER: .500 DIA x 12.6 LG
25 732-04792ZUGFEDER:1.00 OD x 4.75 x .125
26 Cub Cadet ZUGFEDER: .59 OD x 4.00 LG732-0716DZUGFEDER: .59 OD x 4.00 LG
27 732-0729SICHERUNGSRING:FEDERSTAHL
28 732-3118ZUGFEDER:.375 OD x 1.44 LG
29 736-0344SCHEIBE:FLACH:.385x1.000x.030
30 736-04263SPERRSCHEIBE:GETRIEBE HYDRO
31 Cub Cadet SCHEIBE:FLACH:.344x .750x .120736-3008SCHEIBE:FLACH:.344x .750x .120
32 Cub Cadet SCHEIBE:FL:.407 x.812 x.135:HD736-3010SCHEIBE:FL:.407 x.812 x.135:HD
35 738-0430SCHULTERSCHR: .50 x.685:3/8-16
36 738-04420BUNDBUCHSE:1.375x .380x .183
37 747-04139BREMSSTANGE:HYDRO
38 747-04957ASTANGE:GETRIEBE:FUSSPEDAL BYPA
39 747-04979STANGE:BETÄTIGUNG:HYDRO
40 747-04991STANGE:HYDRO BYPASS
41 747-05444ASTANGE:KEILRIEMENFÜHRUNG
42 Cub Cadet DISTANZSTÜCK:.260x.372x1.420LG750-04456DISTANZSTÜCK:.260x.372x1.420LG
43 Cub Cadet KEILRIEMEN:V-TYP:4Lx78.9"POLY754-04207KEILRIEMEN:V-TYP:4Lx78.9"POLY
44 Cub Cadet RIEMENSCHEIBE:IDLER 2.75 OD756-04224RIEMENSCHEIBE:IDLER 2.75 OD
45 756-04308KEILRIEMENSCHEIBE:4.13" DIA
46 Cub Cadet SPANNROLLE:V-TYPE x 3.06756-04325SPANNROLLE:V-TYPE x 3.06
47 783-06027BSPANNROLLENHALTER:
48 783-06133HALTER:GETRIEBE HYDRO:TRAVERSE
49 783-06260TRAGBLECH:AUSKUPPLUNG V-RIEMEN
50 783-1019BSCHALTBLECH:ACTUATOR
Rasen
Bankeinzug, MasterCard, Visa, American Express, PayPal, Nachnahme, Vorauskasse, Sofortüberweisung
Qualitätsmanagement
Informieren Sie uns, wenn Sie einen Fehler gefunden haben.