Einstellungen Computer

Cub Cadet CC 1022 KHT 13HP93AT603 (2015) Mähwerk T (46"/117cm) Ersatzteile

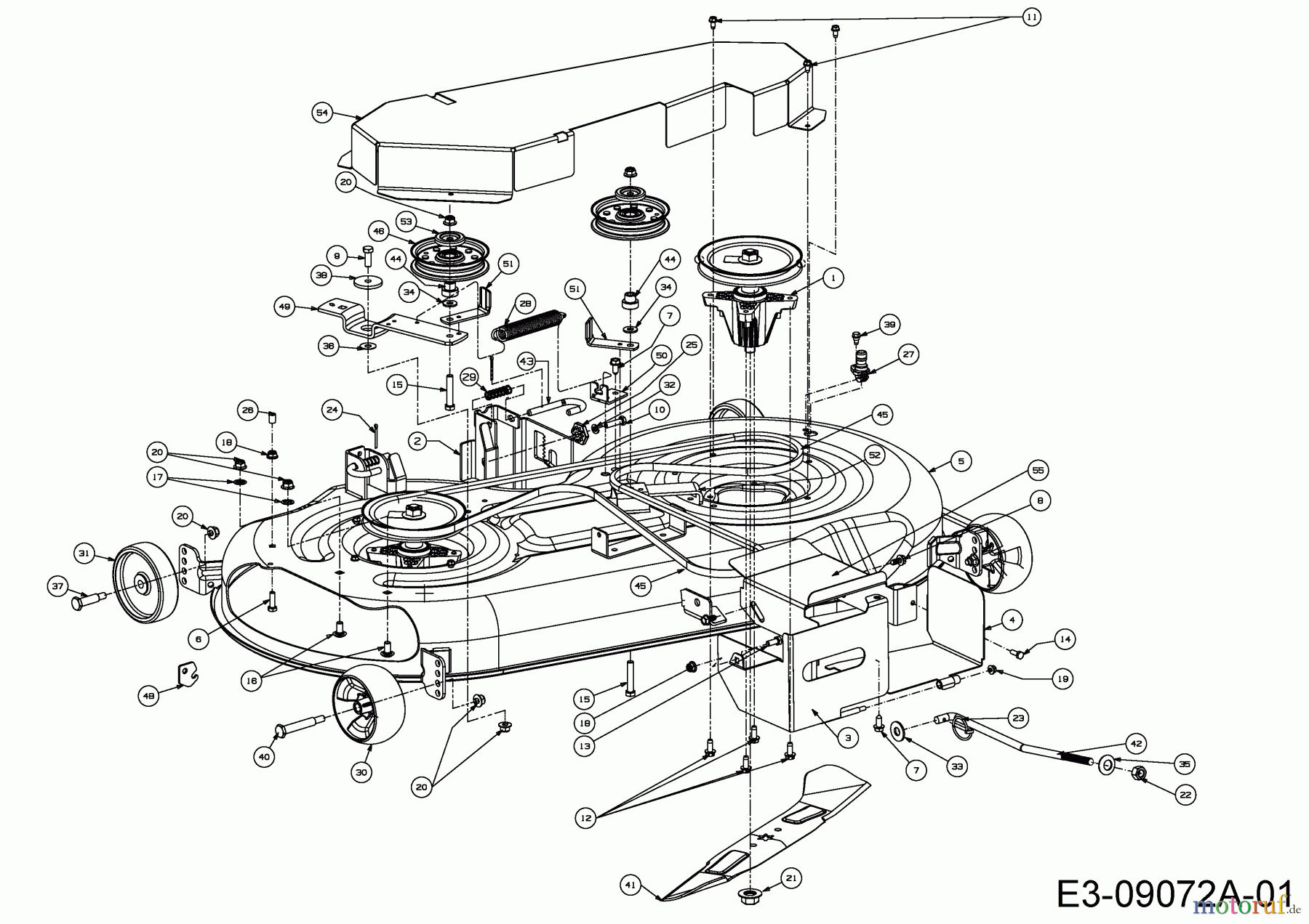
Mähwerk T (46"/117cm) 13HP93AT603 (2015)

 Cub Cadet Rasentraktoren CC 1022 KHT 13HP93AT603  (2015) Mähwerk T (46

Hier finden Sie die Ersatzteilzeichnung für Cub Cadet Rasentraktoren CC 1022 KHT 13HP93AT603 (2015) Mähwerk T (46"/117cm). Wählen Sie das benötigte Ersatzteil aus der Ersatzteilliste Ihres Cub Cadet Gerätes aus und bestellen Sie einfach online. Viele Cub Cadet Ersatzteile halten wir ständig in unserem Lager für Sie bereit.

BildNrArtikel NummerBezeichnung
1 Cub Cadet MESSERSPINDEL VST:RIEMENSCHEIB618-04865AMESSERSPINDEL VST:RIEMENSCHEIB
2 683-0254BHALTER VOLLST:DECKAUFHÄNGUNG
3 683-05180
4 683-05181
5 683-05188MÄHWERKSGEHÄUSE 46" CUB GELB
6 Cub Cadet 6KT-SCHR:5/16-18:1.00:GR5:STD710-03766KT-SCHR:5/16-18:1.00:GR5:STD
7 Cub Cadet 6KT-SCHRAUBE:TT:5/16-18:.750710-044846KT-SCHRAUBE:TT:5/16-18:.750
8 710-05045A6KT-SCHRAUBE:TT:5/16-18:.750
9 Cub Cadet 6KT-SCHR:3/8-16:1.00:GR5:STD710-05146KT-SCHR:3/8-16:1.00:GR5:STD
10 Cub Cadet 6KT-SCHR:5/16-18:1.25:GR5:STD710-05286KT-SCHR:5/16-18:1.25:GR5:STD
11 Cub Cadet 6KT-SCHRAUBE:TT:1/4-20:0.500710-05996KT-SCHRAUBE:TT:1/4-20:0.500
12 Cub Cadet 6KT-SCHR:TT:5/16-18:.750710-1260A6KT-SCHR:TT:5/16-18:.750
13 Cub Cadet 6KT-SCHR:5/16-18:.75 GR5:STD710-30086KT-SCHR:5/16-18:.75 GR5:STD
14 Cub Cadet 6KT-SCHR:1/4-20:.75:GR5:STD710-30156KT-SCHR:1/4-20:.75:GR5:STD
15 Cub Cadet 6KT-SCHR.3/8-16:2.00:GR5:STD710-31446KT-SCHR.3/8-16:2.00:GR5:STD
16 Cub Cadet FL-RD-SCHRAUBE:3/8-16:0.75:GR5710-3178FL-RD-SCHRAUBE:3/8-16:0.75:GR5
17 Cub Cadet KLEMMSCHEIBE:3/8712-0229KLEMMSCHEIBE:3/8
18 Cub Cadet 6KT-BUNDMUTTER:5/16-18:NYLON712-040636KT-BUNDMUTTER:5/16-18:NYLON
19 Cub Cadet 6KT-BUNDMUTTER:1/4-20:NYLON712-040646KT-BUNDMUTTER:1/4-20:NYLON
20 Cub Cadet S-6KT-BUNDMUTTER 3/8-16:NYLON712-04065S-6KT-BUNDMUTTER 3/8-16:NYLON
21 Cub Cadet 6KT-BUNDMUTTER:5/8-18712-0417A6KT-BUNDMUTTER:5/8-18
22 Cub Cadet 6KT-MUTTER:1/2-13:PATCH HD712-050466KT-MUTTER:1/2-13:PATCH HD
23 714-0220AFEDERSTIFT:.1875
24 Cub Cadet SPLINT:1/8 x 1.25" LG714-0470SPLINT:1/8 x 1.25" LG
25 Cub Cadet ZAHNRAD:Z10:DECKEINSTELLUNG717-04074ZAHNRAD:Z10:DECKEINSTELLUNG
26 720-05010ABDECKKAPPE:END: .290 x .500
27 731-07487DÜSE:DECKREINIGUNG
28 Cub Cadet ZUGFEDER:.94 DIA X 6.74 LG732-0459CZUGFEDER:.94 DIA X 6.74 LG
29 Cub Cadet DRUCKFEDER:.535 OD x 1.751 LG732-04652DRUCKFEDER:.535 OD x 1.751 LG
30 Cub Cadet DECKRAD:5.0 DIA:BALLFÖRMIG734-04155DECKRAD:5.0 DIA:BALLFÖRMIG
31 734-0973DECKRAD:5.0 x 1.38
32 Cub Cadet FEDERRING:5/16" NORMALAUSF.736-0119FEDERRING:5/16" NORMALAUSF.
33 736-0179SCHEIBE:FLACH:.531x1.250x.100
34 Cub Cadet SCHEIBE:FLACH:.385 x.870 x.092736-0262SCHEIBE:FLACH:.385 x.870 x.092
35 736-0317TELLERFEDER:.630x1.250x.180 *
36 736-0344SCHEIBE:FLACH:.385x1.000x.030
37 Cub Cadet SCHULTERSCHR:.496x1.525:3/8-16738-0373SCHULTERSCHR:.496x1.525:3/8-16
38 Cub Cadet BUNDSCHEIBE:.8840 x .190738-04162CBUNDSCHEIBE:.8840 x .190
39 Cub Cadet 6KT-SCHULTERSCHR:1/4-20:0.50738-042786KT-SCHULTERSCHR:1/4-20:0.50
40 Cub Cadet SCHULTERSCHR:.496x2.50:3/8-16738-3056SCHULTERSCHR:.496x2.50:3/8-16
41 Cub Cadet PROPELLERMESSER:23.25":2 IN 1742-04244APROPELLERMESSER:23.25":2 IN 1
42 747-04944BAUSHEBESTANGE:DECK:VORNE:KLEIN
43 Cub Cadet ABSTECKBÜGEL:DECKFREIGABE:.375747-1116ABSTECKBÜGEL:DECKFREIGABE:.375
44 Cub Cadet BUNDBUCHSE:HEBELFÜHRUNG748-05029ABUNDBUCHSE:HEBELFÜHRUNG
45 754-04219KEILRIEMEN:V-TYP:A SECx103.24"
46 Cub Cadet SPANNROLLE:4.25" DIA:HD756-05042SPANNROLLE:4.25" DIA:HD
48 783-05219ANSCHLAG:AUSWURFKANAL 50"/54"
49 783-05946SPANNROLLENTRÄGER:PIVOT:46
50 783-06243
51 783-06368A
52 783-06643
53 Cub Cadet ABDECKBLECH:RD:SPANNROLLE:HD783-08389ABDECKBLECH:RD:SPANNROLLE:HD
54 783-08719
55 783-08740
Rasen
Bankeinzug, MasterCard, Visa, American Express, PayPal, Nachnahme, Vorauskasse, Sofortüberweisung
Datenschutzerklärung Impressum