Einstellungen Computer

Cub Cadet XT3 QR106E 13BIA5CR603 (2018) Schaltplan Elektromagnetkupplung Ersatzteile

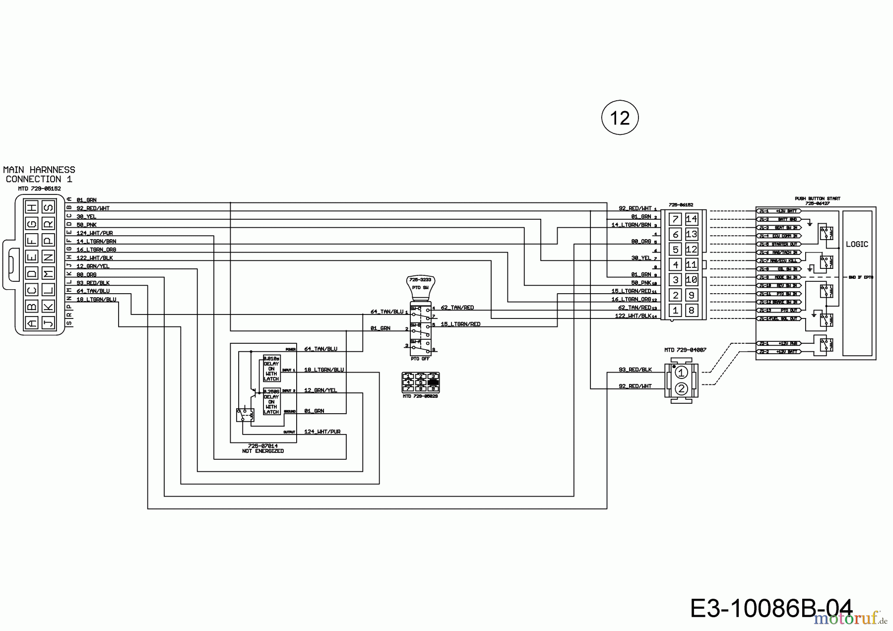
Schaltplan Elektromagnetkupplung 13BIA5CR603 (2018)

 Cub Cadet Rasentraktoren XT3 QR106E 13BIA5CR603  (2018) Schaltplan Elektromagnetkupplung

Hier finden Sie die Ersatzteilzeichnung für Cub Cadet Rasentraktoren XT3 QR106E 13BIA5CR603 (2018) Schaltplan Elektromagnetkupplung. Wählen Sie das benötigte Ersatzteil aus der Ersatzteilliste Ihres Cub Cadet Gerätes aus und bestellen Sie einfach online. Viele Cub Cadet Ersatzteile halten wir ständig in unserem Lager für Sie bereit.

BildNrArtikel NummerBezeichnung
12 725-06994KABELBAUM:NX15RD:EPTO:PBS:DLR:
Rasen
Bankeinzug, MasterCard, Visa, American Express, PayPal, Nachnahme, Vorauskasse, Sofortüberweisung
Datenschutzerklärung Impressum
Qualitätsmanagement
Informieren Sie uns, wenn Sie einen Fehler gefunden haben.