Wolf-Garten HS 60 E 41AF0EE5650 (2018) Ersatzteile
41AF0EE5650 (2018) HS 60 E

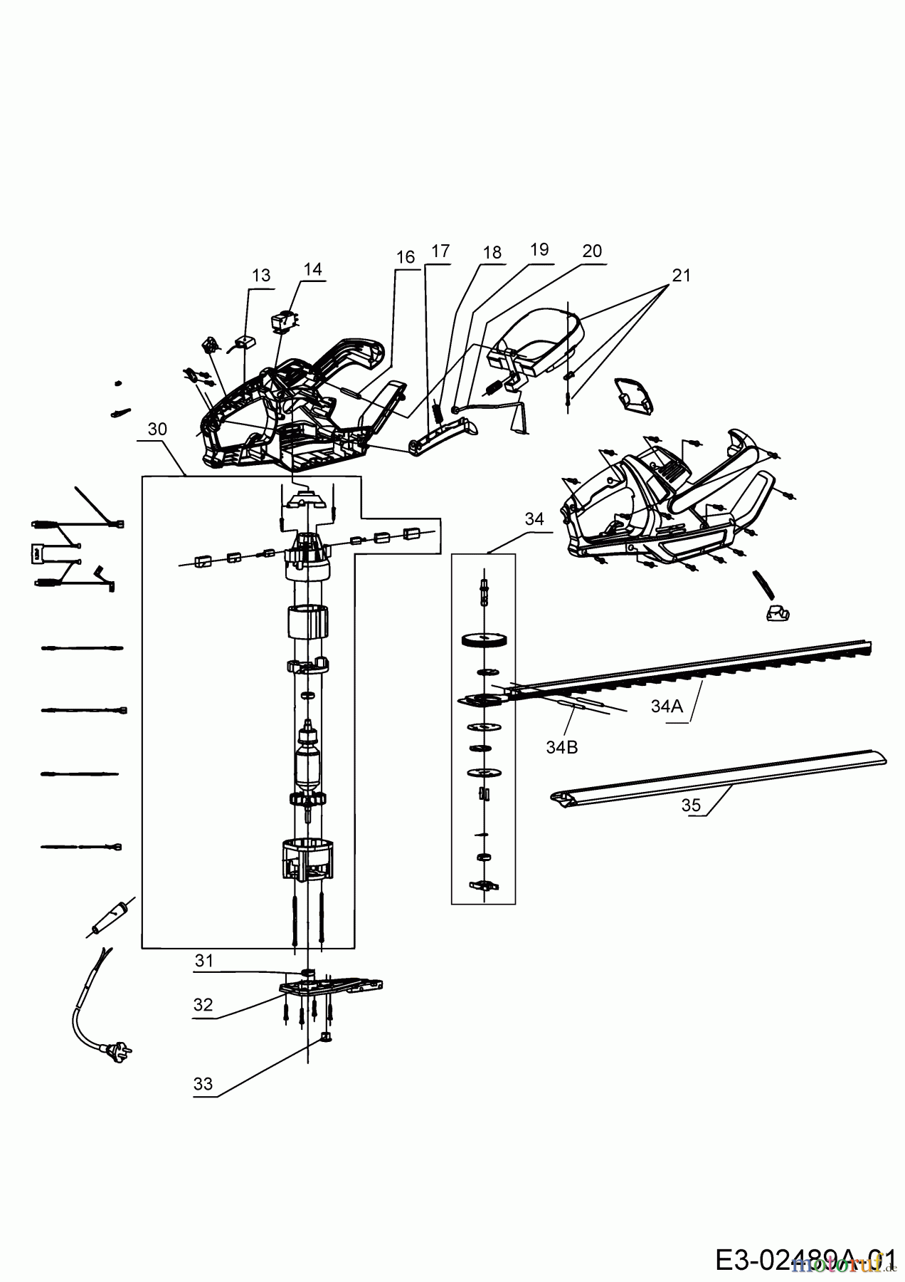
Hier finden Sie die Ersatzteilzeichnung für Wolf-Garten Elektroheckenscheren HS 60 E 41AF0EE5650 (2018) Grundgerät. Wählen Sie das benötigte Ersatzteil aus der Ersatzteilliste Ihres Wolf-Garten Gerätes aus und bestellen Sie einfach online. Viele Wolf-Garten Ersatzteile halten wir ständig in unserem Lager für Sie bereit.


Qualitätsmanagement
Informieren Sie uns, wenn Sie einen Fehler gefunden haben.

