Dolmar PE-251 (USA) 4 Vergaser, Luftfilter Ersatzteile
4 Vergaser, Luftfilter PE-251 (USA)

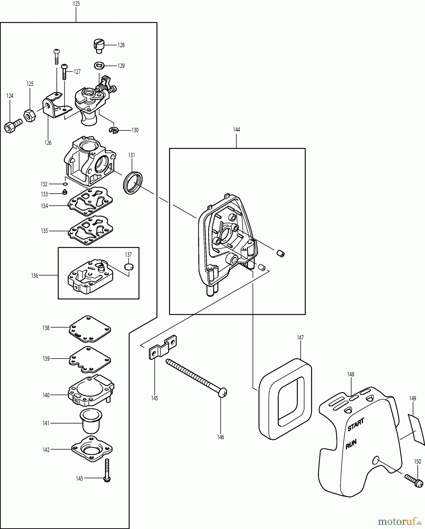
Hier finden Sie die Ersatzteilzeichnung für Dolmar Rasenkantenschneider PE-251 (USA) 4 Vergaser, Luftfilter. Wählen Sie das benötigte Ersatzteil aus der Ersatzteilliste Ihres Dolmar Gerätes aus und bestellen Sie einfach online. Viele Dolmar Ersatzteile halten wir ständig in unserem Lager für Sie bereit.
| BildNr | Artikel Nummer | Bezeichnung | |
| 123 | 168669-7 | VERGASER | |
| 124 | 381602002 | STELLSCHRAUBE | |
| 125 | 381600545 | MUTTER | |
| 126 | 381605202 | GASZUGHALTER | |
| 127 | 5246001240 | SCHRAUBE | |
| 128 | 325922-6 | DREHGELENK | |
| 129 | 5426005030 | SCHEIBE | |
| 130 | 257964-1 | SICHERUNGSRING E-3 | |
| 131 | 424444-4 | O-RING | |
| 132 | 213538-8 | O-RING 2 | |
| 133 | WJ00112245 | DÜSE MARKING: 38 | |
| 134 | 442172-9 | DICHTUNG | |
| 135 | ![]() | WJ00009599 | PUMPENMEMBRAN |
| 136 | 140989-1 | PUMPENKÖRPER KPL. | |
| 137 | WJ00014070 | SIEB | |
| 138 | ![]() | 442154-1 | DICHTUNG |
| 139 | WJ00095586 | STEUERMEMBRAN | |
| 140 | 374604606 | PUMPENABDECKUNG | |
| 141 | ![]() | 424314-7 | PRIMER PUMPE |
| 142 | 5236046050 | PRIMERDECKEL | |
| 143 | 367266582 | BLECHSCHRAUBE 3X24 | |
| 144 | 140993-0 | LUFTFILTERBODEN KPL. | |
| 145 | 381350240 | SCHELLE | |
| 146 | 905405608 | SCHRAUBE M5X60 | |
| 147 | 443167-5 | LUFTFILTER | |
| 148 | 388350260 | LUFTFILTERDECKEL | |
| 149 | 388625988 | LABEL | |
| 150 | 221233160 | SCHRAUBE KPL. M5X14 W/W&SW | |






