Einstellungen Computer

Dolmar Benzin 4-Takt MS-245.4 C (USA) 3 Kurbelgehäuse, Zylinder, Zündung, Schalldämpfer, Kraftstofftank Ersatzteile

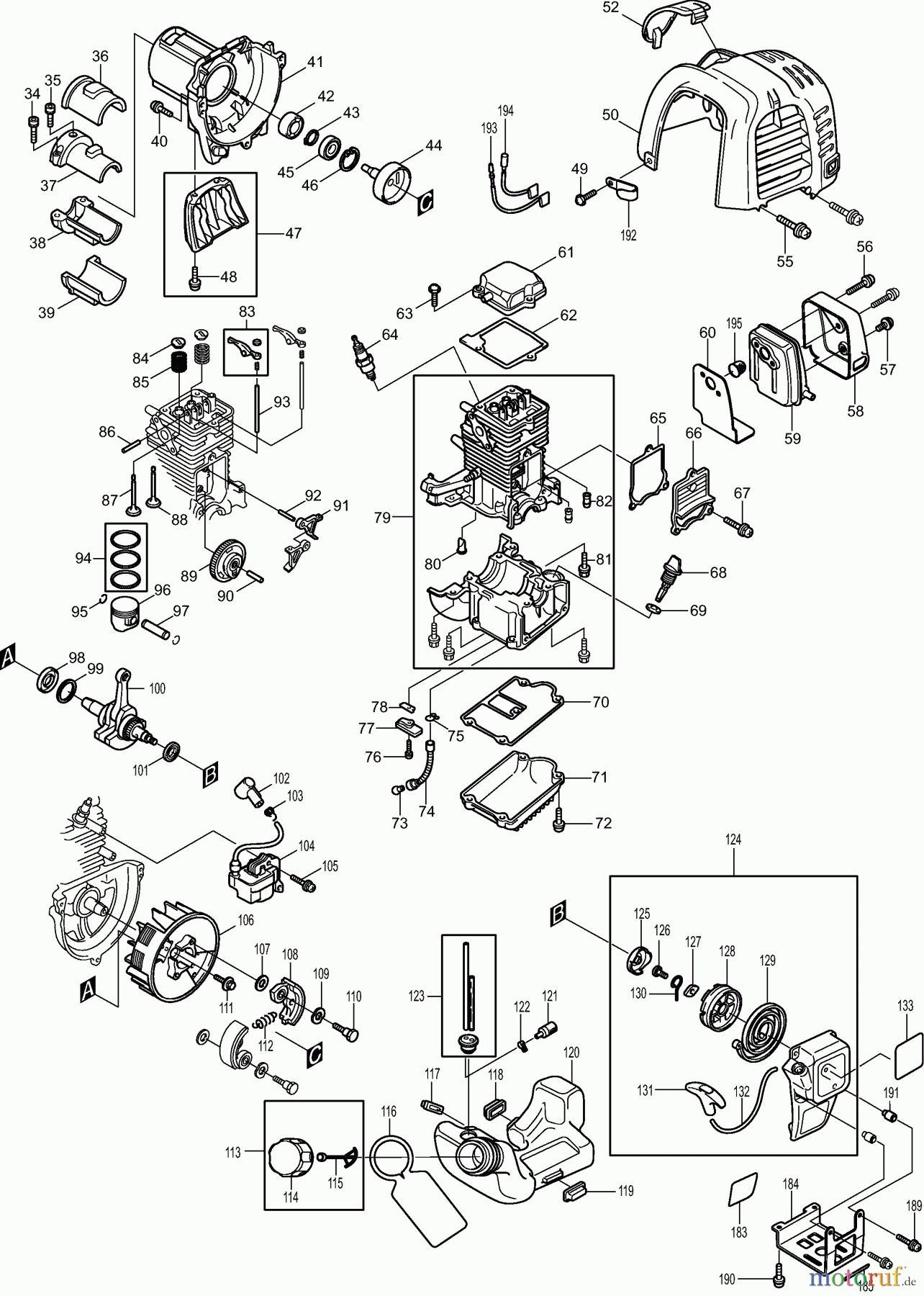
3 Kurbelgehäuse, Zylinder, Zündung, Schalldämpfer, Kraftstofftank MS-245.4 C (USA)

 Dolmar Motorsensen & Trimmer Benzin 4-Takt MS-245.4 C (USA) 3  Kurbelgehäuse, Zylinder, Zündung, Schalldämpfer, Kraftstofftank

Hier finden Sie die Ersatzteilzeichnung für Dolmar Motorsensen & Trimmer Benzin 4-Takt MS-245.4 C (USA) 3 Kurbelgehäuse, Zylinder, Zündung, Schalldämpfer, Kraftstofftank. Wählen Sie das benötigte Ersatzteil aus der Ersatzteilliste Ihres Dolmar Gerätes aus und bestellen Sie einfach online. Viele Dolmar Ersatzteile halten wir ständig in unserem Lager für Sie bereit.

Häufig benötigte Dolmar Benzin 4-Takt MS-245.4 C (USA) 3 Kurbelgehäuse, Zylinder, Zündung, Schalldämpfer, Kraftstofftank Ersatzteile

BENZINFILTER
Artikelnummer: DR163447-0
Suche nach: 163447-0
Hersteller: Dolmar
Dolmar Ersatzteil 3 Kurbelgehäuse, Zylinder, Zündung, Schalldämpfer, Kraftstofftank
4.99 €
für EU incl. MwSt., zzgl. Versand
BildNrArtikel NummerBezeichnung
34 367922226SCHRAUBE M5X18
35 922211-6INNEN-6 KANT-SCHRAUBE M5X12
36 367424191DÄMPFUNGSELEMENT 1
37 318270-0KLEMMSCHALE 1
38 318271-8KLEMMSCHALE 2
39 367424107DÄMPFUNGSELEMENT 2
40 367922222SCHRAUBE M5X16
41 367318329KUPPLUNGSGEHÄUSE
42 367450569DISTANZRING
43 961052-5SICHERUNGSRING S-12
44 168809-7KUPPLUNGSTROMMEL KPL.
45 367210111KUGELLAGER 6201DDU / 6201LLU
46 367962151SICHERUNGSRING R-32
47 195144-0STANDFUSS
48 221233160SCHRAUBE KPL. M5X14 W/W&SW
49 367911213FLACHKOPFSCHRAUBE M5X12
50 367451261ZYLINDERHAUBE
52 450568-0KERZENABDECKUNG
55 911128-8FLACHKOPFSCHRAUBE M4X16
56 367266440SCHRAUBE M5X40
57 367265184SCHRAUBE M5X5
58 367350340VERBRENNUNGSSCHUTZ
59 168469-5SCHALLDÄMPFER
60 367345916DICHTUNG SCHALLDÄMPFER
61 140023-7KIPPHEBELABDECKUNG
62 Dolmar DICHTUNG, ABDECKUNG F.KIPPHEBEL 162275-0DICHTUNG, ABDECKUNG F.KIPPHEBEL
63 367922223KOMBI-SCHRAUBE M5X16
64 168534-0ZÜNDKERZE NGK CMR4A
64 196714-8MOTORWARTUNG-SET SET (LT/MS-245.4)
65 162274-2DICHTUNG
66 367318443ABDECKUNG F.NOCKENRAD
67 3679222176KT-SCHRAUBE M5X14
68 450565-6ÖLPEILSTAB
69 424100-6DICHTUNG
70 162276-8DICHTUNG
71 318442-7ÖLWANNE
72 3679222176KT-SCHRAUBE M5X14
73 325666-8GEWICHT FÜR ÖLLEITUNG
74 367424202ÖLLEITUNG
75 367282020SCHLAUCHKLEMME
76 3679221126KT-SCHRAUBE M4X10
77 367318440STOPPER F.REEDVALVE
78 346083-9EINLASSMEMBRAN (REEDVALVE)
79 367135375ZYLINDERBLOCK-SET
80 367424201RÜCKSCHLAGVENTIL
81 3679222176KT-SCHRAUBE M5X14
82 424200-2DISTANZBUCHSE
83 125554-7KIPPHEBEL KPL.
84 325668-4FEDERTELLER
85 234108-0DRUCKFEDER 9
86 256200-2STIFT 5
87 326367-1EINLASSVENTIL
88 326366-3AUSLASSVENTIL
89 367125552NOCKENRAD
90 268238-5STIFT 5
91 313169-4NOCKENHEBEL
92 367350060ACHSE F.NOCKENHEBEL
93 256865-0STÖSSELSTANGE
94 367196595KOLBENRING-SATZ
95 233976-8SPRENGRING
96 197453-3KOLBEN KPL.
96 367318441KOLBEN
97 257781-9KOLBENBOLZEN
98 213147-3ÖLDICHTUNG 12
99 381150050DISTANZRING
100 135374-1KURBELWELLE KPL.
101 213148-1ÖLDICHTUNG 10
102 424105-6ZÜNDKERZENSTECKER
103 324891-8STECKERKAPPENFEDER
104 168501-5ZÜNDSPULE
104 168816-0ZÜNDSPULE
105 367922138INNEN-6 KANT-SCHRAUBE M4X20
106 318343-9POLRAD
107 367267812SCHEIBE 6
108 161332-1FLIEHGEWICHT
108 168498-8FLIEHGEWICHT
109 267817-6SCHEIBE 8
110 266457-7SCHRAUBE M6X25
111 265577-4SCHRAUBE M6X16
112 367231858ZUGFEDER 6
113 127108-6KRAFTSTOFFTANKDECKEL KPL.
114 367140435KRAFTSTOFFTANKDECKEL
115 140436-2VERLIERSICHERUNG
116 367810455HINWEISSCHILD F. KRAFTSTOFFART
117 424102-2DÄMPFER
118 367424103DÄMPFER
119 424104-8DÄMPFER
120 367451251KRAFTSTOFFTANK USA
120 367454004KRAFTSTOFFTANK USA (EPA)
121 Dolmar BENZINFILTER 163447-0BENZINFILTER
121 196714-8MOTORWARTUNG-SET SET (LT/MS-245.4)
122 345920-4SCHLAUCHKLEMME
123 168472-6KRAFTSTOFFLEITUNG
123 367168770SCHLAUCH KPL. USA (EPA)
124 125917-7STARTER KPL.
125 168483-1STARTERRAD
126 367266585BLECHSCHRAUBE 5X12
127 451938-6AUFNAHME FÜR MITNEHMERBÜGEL
128 367451937SEILTROMMEL
129 232258-5SPIRALFEDER
130 325923-4MITNEHMERBÜGEL
131 367424319ANWERFGRIFF
132 367444019ANWERFSEIL
133 367808738SCHILD MS-245.4 C
183 808720-8SCHILD ENGINE
184 345964-4SCHUTZBüGEL F. TANK
185 814998-3SCHILD SERIAL NO.
189 911546-0KOMBI-SCHRAUBE M4X25
190 367911213FLACHKOPFSCHRAUBE M5X12
191 331835-1DISTANZBUCHSE
192 367345963KLEMMSCHELLE
193 388700300KABEL
193 632E38-3KABEL
194 367638665KABEL
194 632E39-1KABEL
195 367324980FUNKENSCHUTZSIEB
Rasen
Bankeinzug, MasterCard, Visa, American Express, PayPal, Nachnahme, Vorauskasse, Sofortüberweisung
Datenschutzerklärung Impressum