Dolmar Benzin Kettensäge PS-3300 TH 2 Motorgehäuse, Kurbelgehäuse, Zylinder, Zündung Ersatzteile
2 Motorgehäuse, Kurbelgehäuse, Zylinder, Zündung PS-3300 TH

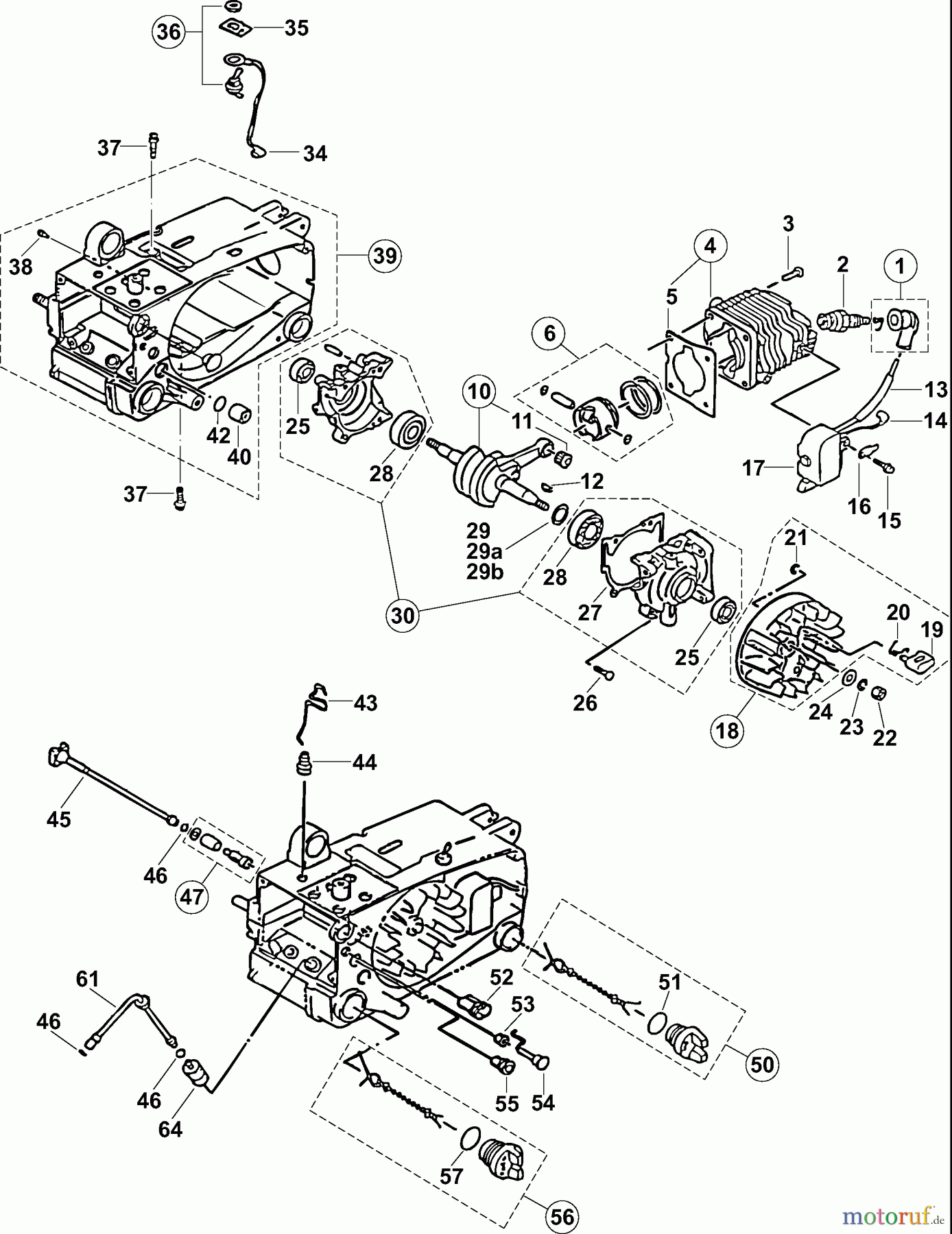
Hier finden Sie die Ersatzteilzeichnung für Dolmar Kettensägen Benzin Kettensäge PS-3300 TH 2 Motorgehäuse, Kurbelgehäuse, Zylinder, Zündung. Wählen Sie das benötigte Ersatzteil aus der Ersatzteilliste Ihres Dolmar Gerätes aus und bestellen Sie einfach online. Viele Dolmar Ersatzteile halten wir ständig in unserem Lager für Sie bereit.




