Toro 58237 - 26" Tiller, 1983 (3000001-3999999) CHASIS ASSEMBLY Ersatzteile
CHASIS ASSEMBLY 58237 - Toro 26" Tiller, 1983 (3000001-3999999)

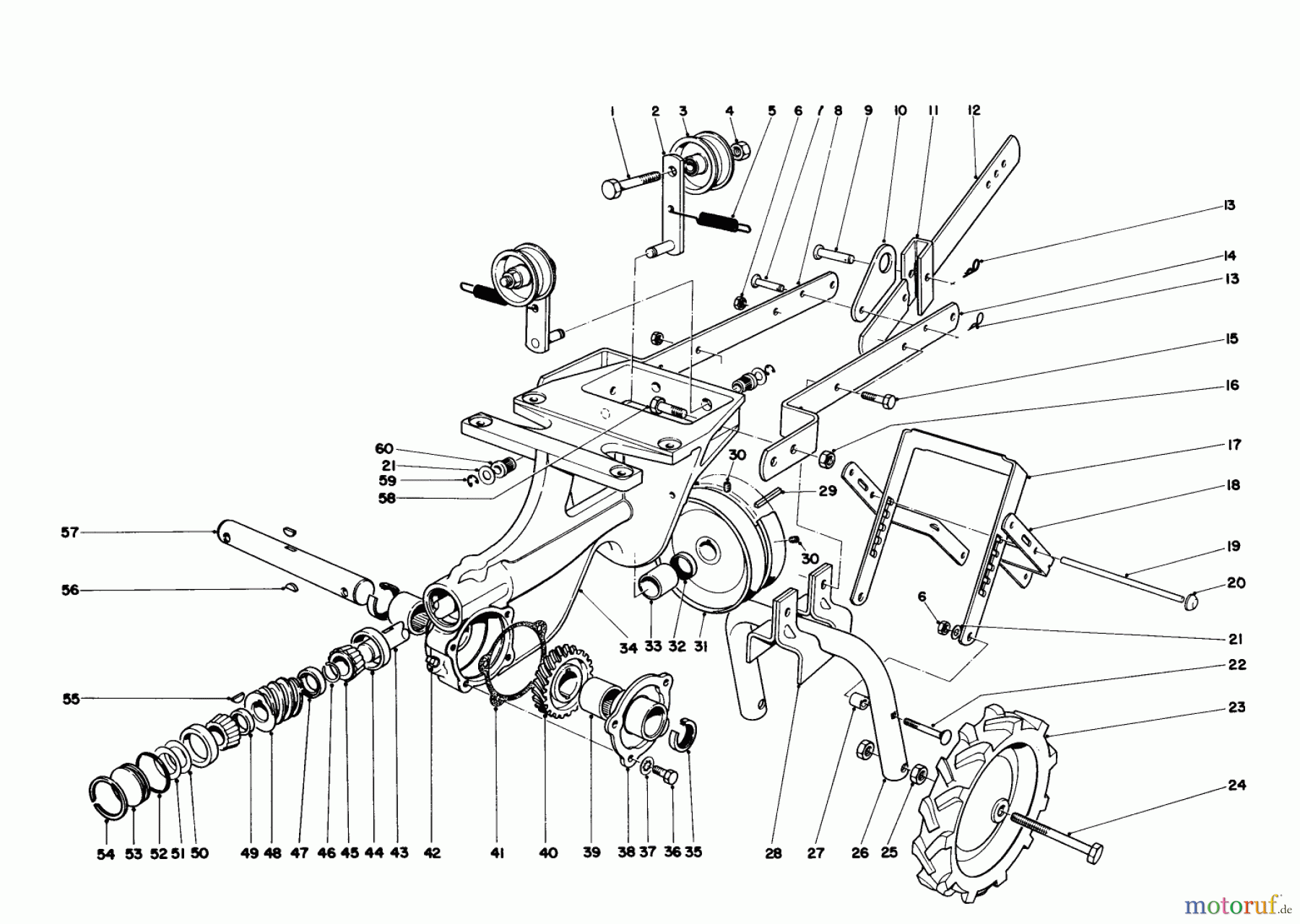
Hier finden Sie die Ersatzteilzeichnung für Toro Neu Tillers/Cultivators 58237 - Toro 26" Tiller, 1983 (3000001-3999999) CHASIS ASSEMBLY. Wählen Sie das benötigte Ersatzteil aus der Ersatzteilliste Ihres Toro Gerätes aus und bestellen Sie einfach online. Viele Toro Ersatzteile halten wir ständig in unserem Lager für Sie bereit.


Qualitätsmanagement
Informieren Sie uns, wenn Sie einen Fehler gefunden haben.


