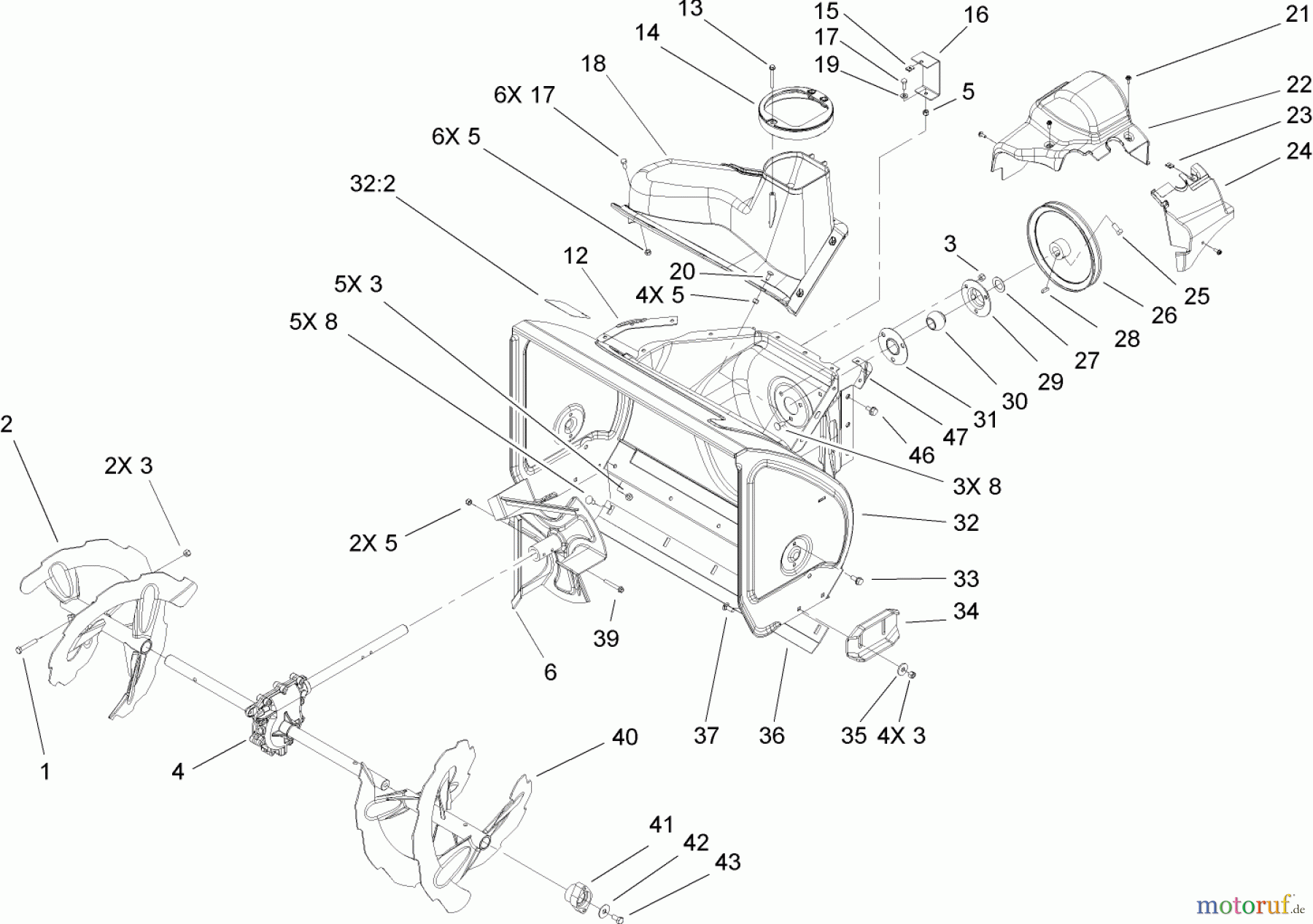
Toro 38631 (828 LXE) - Power Max 828 LXE Snowthrower, 2005 (250000001-250999999) AUGER AND HOUSING ASSEMBLY Ersatzteile
AUGER AND HOUSING ASSEMBLY 38631 (828 LXE) - Toro Power Max 828 LXE Snowthrower, 2005 (250000001-250999999)

Hier finden Sie die Ersatzteilzeichnung für Toro Neu Snow Blowers/Snow Throwers Seite 2 38631 (828 LXE) - Toro Power Max 828 LXE Snowthrower, 2005 (250000001-250999999) AUGER AND HOUSING ASSEMBLY. Wählen Sie das benötigte Ersatzteil aus der Ersatzteilliste Ihres Toro Gerätes aus und bestellen Sie einfach online. Viele Toro Ersatzteile halten wir ständig in unserem Lager für Sie bereit.


Qualitätsmanagement
Informieren Sie uns, wenn Sie einen Fehler gefunden haben.







