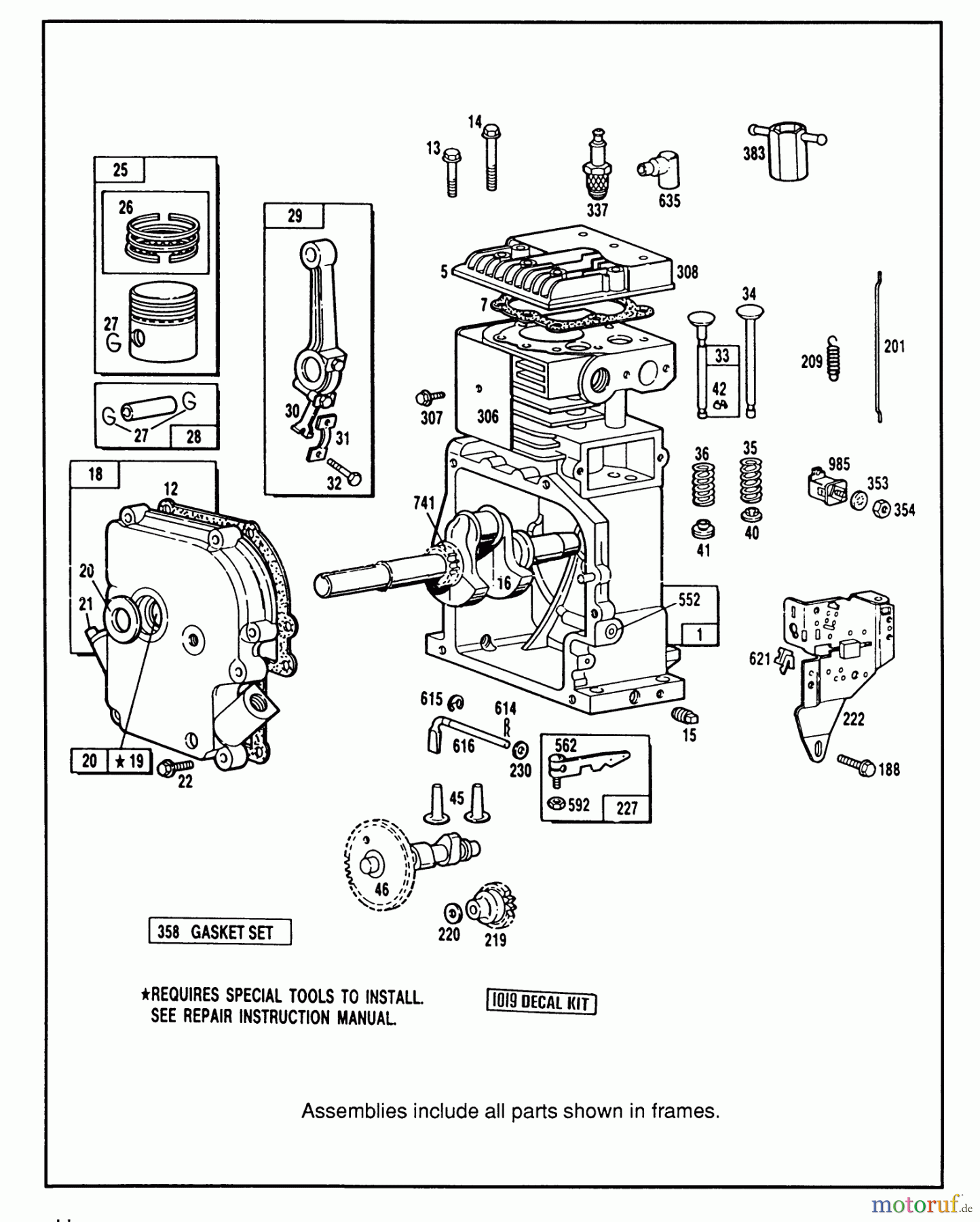
Toro 38570 (828) - 828 Power Shift Snowthrower, 1990 (0000001-0999999) ENGINE BRIGGS & STRATTON MODEL 190406 TYPE 3104-01 #1 Ersatzteile
ENGINE BRIGGS & STRATTON MODEL 190406 TYPE 3104-01 #1 38570 (828) - Toro 828 Power Shift Snowthrower, 1990 (0000001-0999999)

Hier finden Sie die Ersatzteilzeichnung für Toro Neu Snow Blowers/Snow Throwers Seite 1 38570 (828) - Toro 828 Power Shift Snowthrower, 1990 (0000001-0999999) ENGINE BRIGGS & STRATTON MODEL 190406 TYPE 3104-01 #1. Wählen Sie das benötigte Ersatzteil aus der Ersatzteilliste Ihres Toro Gerätes aus und bestellen Sie einfach online. Viele Toro Ersatzteile halten wir ständig in unserem Lager für Sie bereit.



