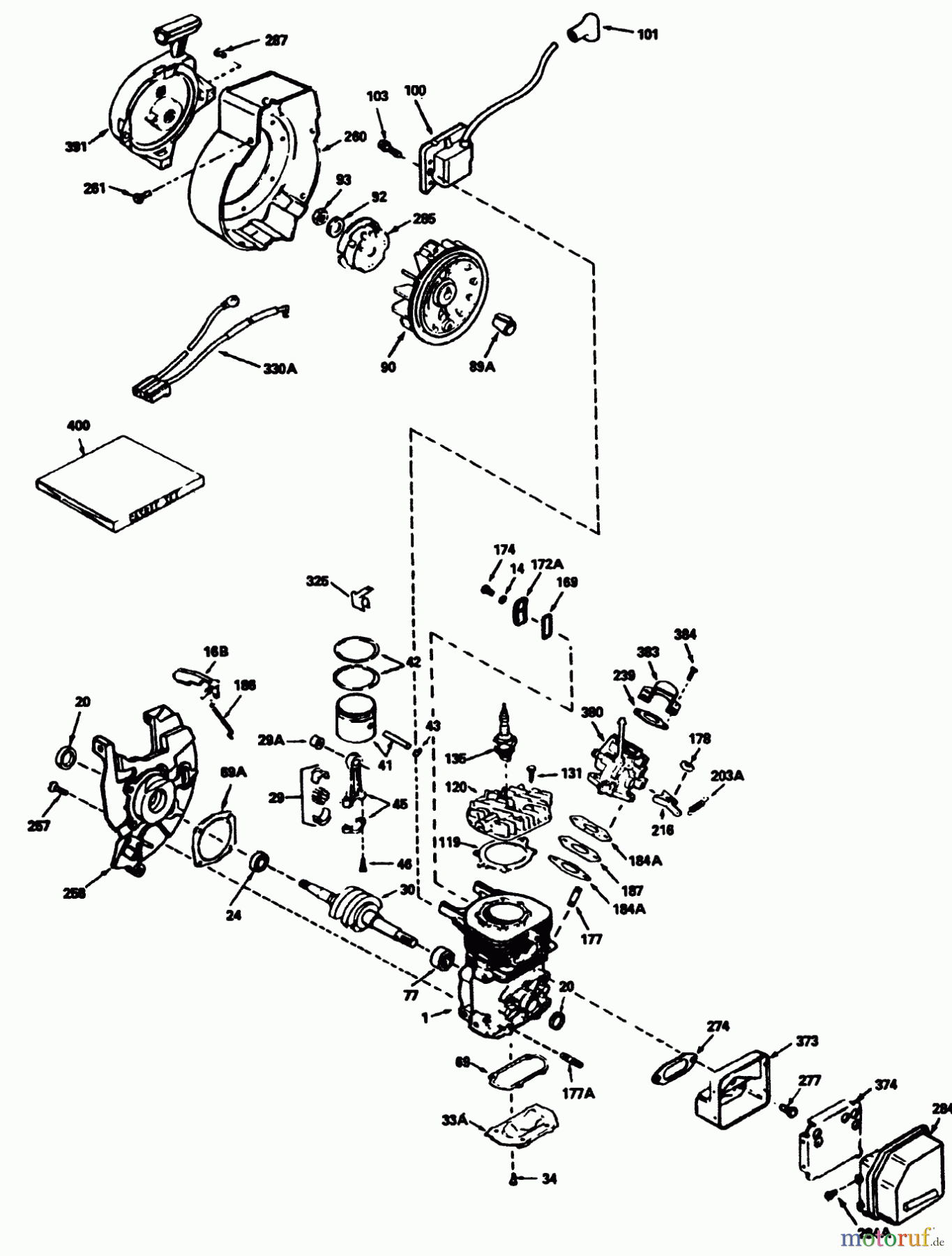
Toro 38170 - CCR Powerlite Snowthrower, 1992 (2000001-2999999) ENGINE TECUMSEH MODEL NO. HSK600 TYPE 1668P (MODEL NO. 38170 ONLY) Ersatzteile
ENGINE TECUMSEH MODEL NO. HSK600 TYPE 1668P (MODEL NO. 38170 ONLY) 38170 - Toro CCR Powerlite Snowthrower, 1992 (2000001-2999999)

Hier finden Sie die Ersatzteilzeichnung für Toro Neu Snow Blowers/Snow Throwers Seite 1 38170 - Toro CCR Powerlite Snowthrower, 1992 (2000001-2999999) ENGINE TECUMSEH MODEL NO. HSK600 TYPE 1668P (MODEL NO. 38170 ONLY). Wählen Sie das benötigte Ersatzteil aus der Ersatzteilliste Ihres Toro Gerätes aus und bestellen Sie einfach online. Viele Toro Ersatzteile halten wir ständig in unserem Lager für Sie bereit.


Qualitätsmanagement
Informieren Sie uns, wenn Sie einen Fehler gefunden haben.

