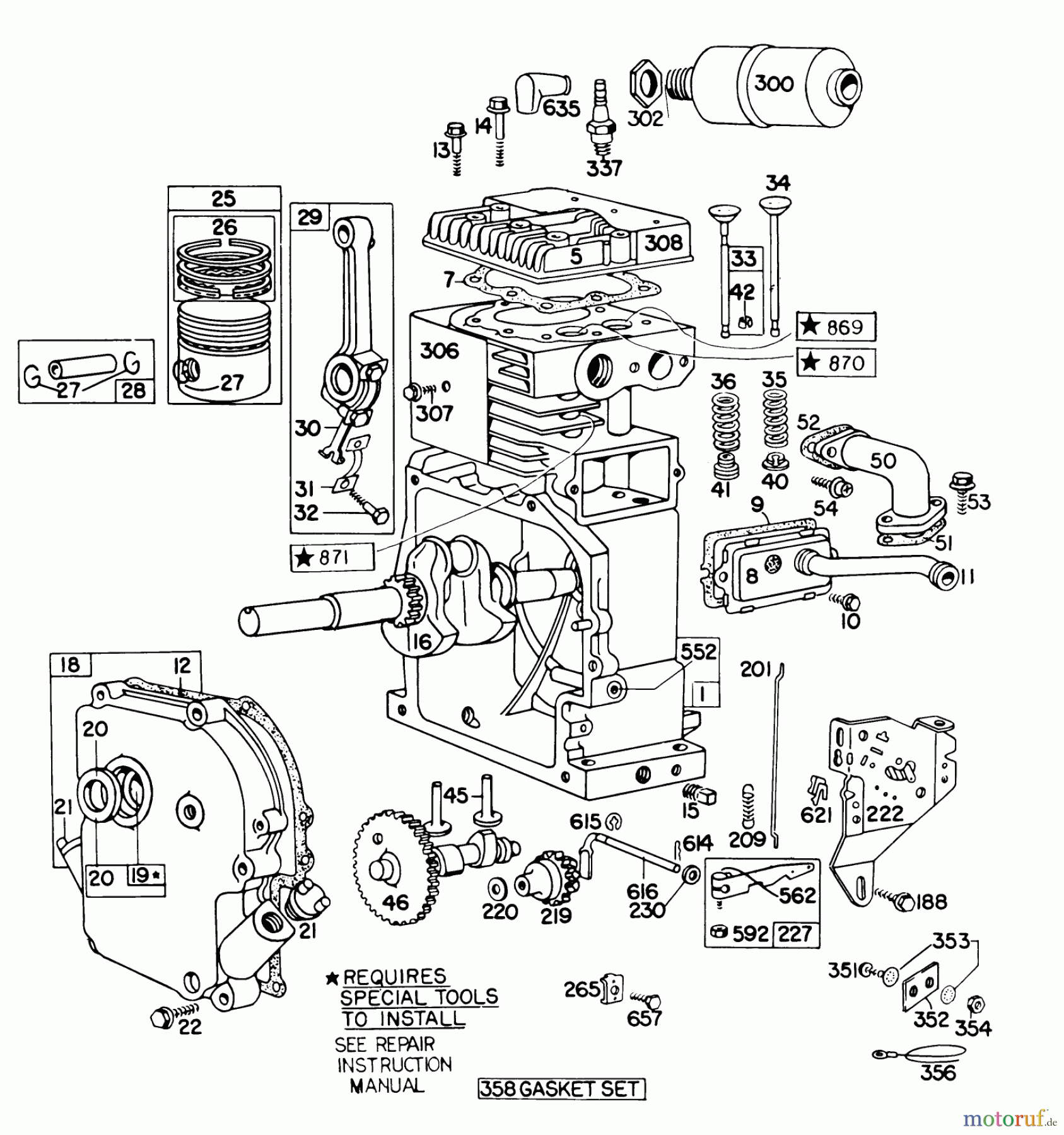
Toro 38160 (1132) - 1132 Snowthrower, 1980 (0000001-0999999) ENGINE MODEL NO. 190502 TYPE 0989-01 (8 H.P. SNOWTHROWER MODEL 3BRIGGS & STRATTON Ersatzteile
ENGINE MODEL NO. 190502 TYPE 0989-01 (8 H.P. SNOWTHROWER MODEL 3BRIGGS & STRATTON 38160 (1132) - Toro 1132 Snowthrower, 1980 (0000001-0999999)

Hier finden Sie die Ersatzteilzeichnung für Toro Neu Snow Blowers/Snow Throwers Seite 1 38160 (1132) - Toro 1132 Snowthrower, 1980 (0000001-0999999) ENGINE MODEL NO. 190502 TYPE 0989-01 (8 H.P. SNOWTHROWER MODEL 3BRIGGS & STRATTON. Wählen Sie das benötigte Ersatzteil aus der Ersatzteilliste Ihres Toro Gerätes aus und bestellen Sie einfach online. Viele Toro Ersatzteile halten wir ständig in unserem Lager für Sie bereit.


Qualitätsmanagement
Informieren Sie uns, wenn Sie einen Fehler gefunden haben.

