Einstellungen Computer

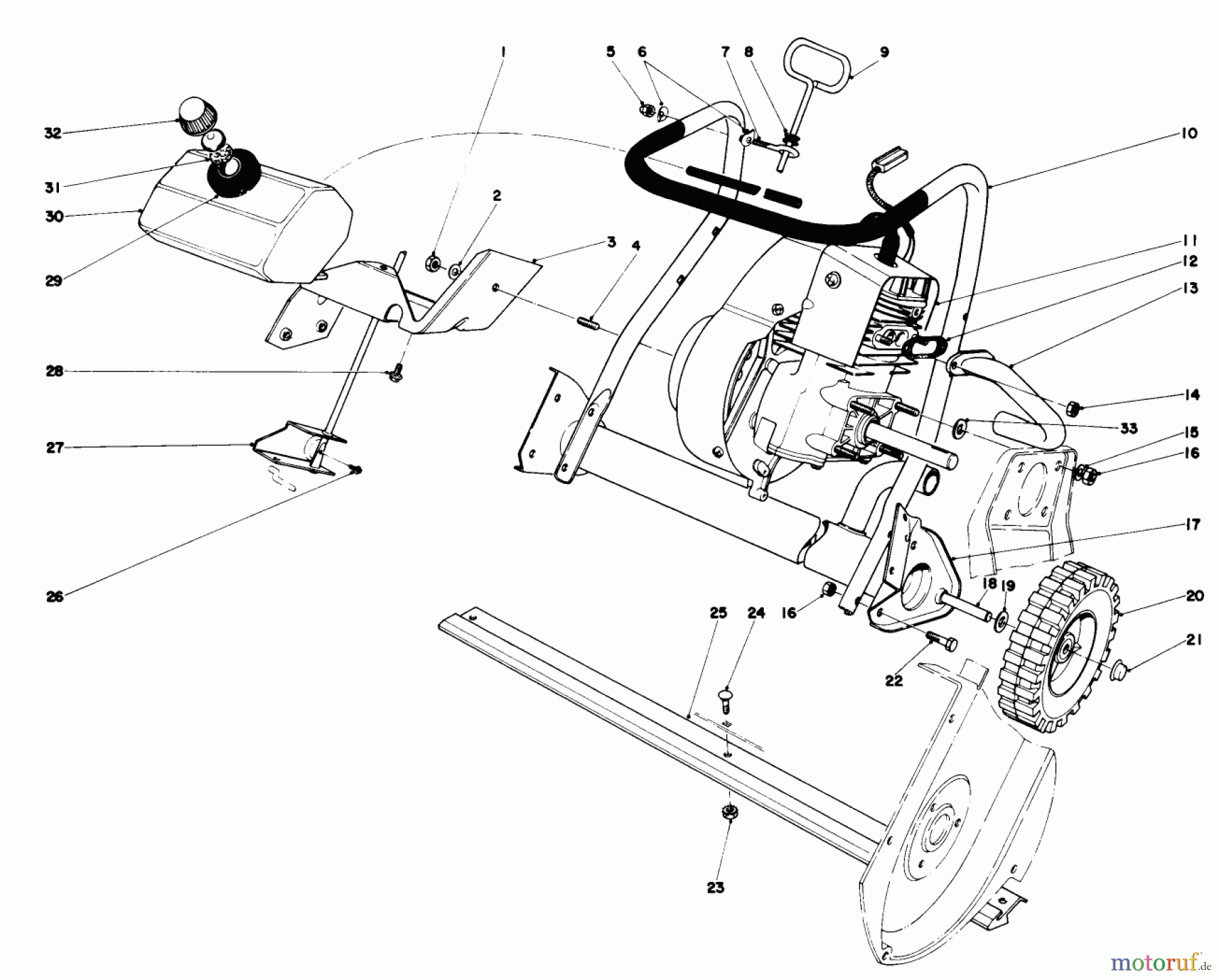
Toro 38120 (S-200) - S-200 Snowthrower, 1980 (0000001-0015000) ENGINE ASSEMBLY Ersatzteile

ENGINE ASSEMBLY 38120 (S-200) - Toro S-200 Snowthrower, 1980 (0000001-0015000)

 Toro Neu Snow Blowers/Snow Throwers Seite 1 38120 (S-200) - Toro S-200 Snowthrower, 1980 (0000001-0015000) ENGINE ASSEMBLY

Hier finden Sie die Ersatzteilzeichnung für Toro Neu Snow Blowers/Snow Throwers Seite 1 38120 (S-200) - Toro S-200 Snowthrower, 1980 (0000001-0015000) ENGINE ASSEMBLY. Wählen Sie das benötigte Ersatzteil aus der Ersatzteilliste Ihres Toro Gerätes aus und bestellen Sie einfach online. Viele Toro Ersatzteile halten wir ständig in unserem Lager für Sie bereit.

Rasen
Bankeinzug, MasterCard, Visa, American Express, PayPal, Nachnahme, Vorauskasse, Sofortüberweisung
Datenschutzerklärung Impressum
Qualitätsmanagement
Informieren Sie uns, wenn Sie einen Fehler gefunden haben.