Toro 38095 (1132) - 1132 Snowthrower, 1986 (6000001-6999999) 12 VOLT STARTING MOTOR KIT 42-4370 (OPTIONAL) Ersatzteile
12 VOLT STARTING MOTOR KIT 42-4370 (OPTIONAL) 38095 (1132) - Toro 1132 Snowthrower, 1986 (6000001-6999999)

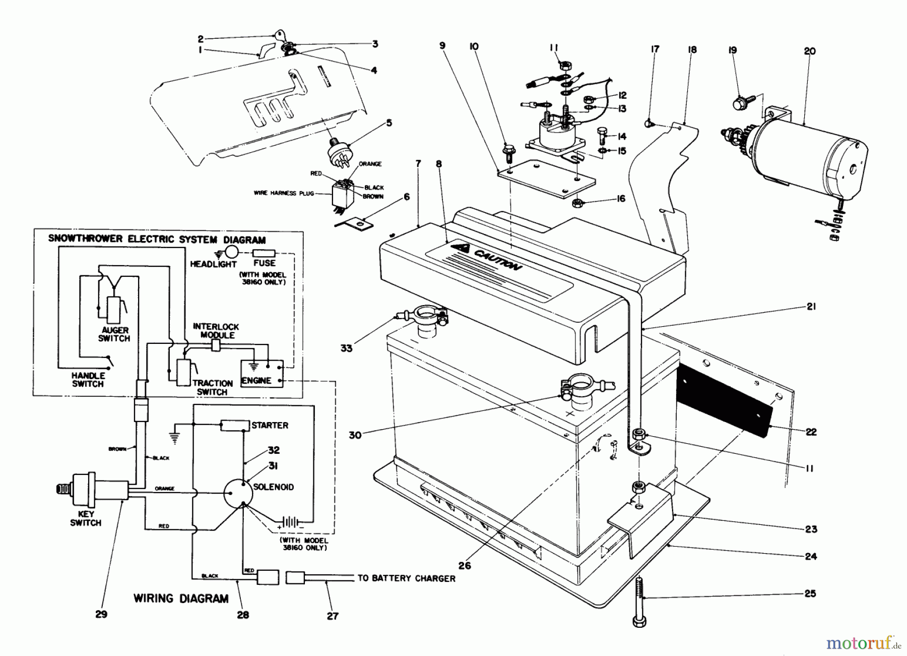
Hier finden Sie die Ersatzteilzeichnung für Toro Neu Snow Blowers/Snow Throwers Seite 1 38095 (1132) - Toro 1132 Snowthrower, 1986 (6000001-6999999) 12 VOLT STARTING MOTOR KIT 42-4370 (OPTIONAL). Wählen Sie das benötigte Ersatzteil aus der Ersatzteilliste Ihres Toro Gerätes aus und bestellen Sie einfach online. Viele Toro Ersatzteile halten wir ständig in unserem Lager für Sie bereit.





