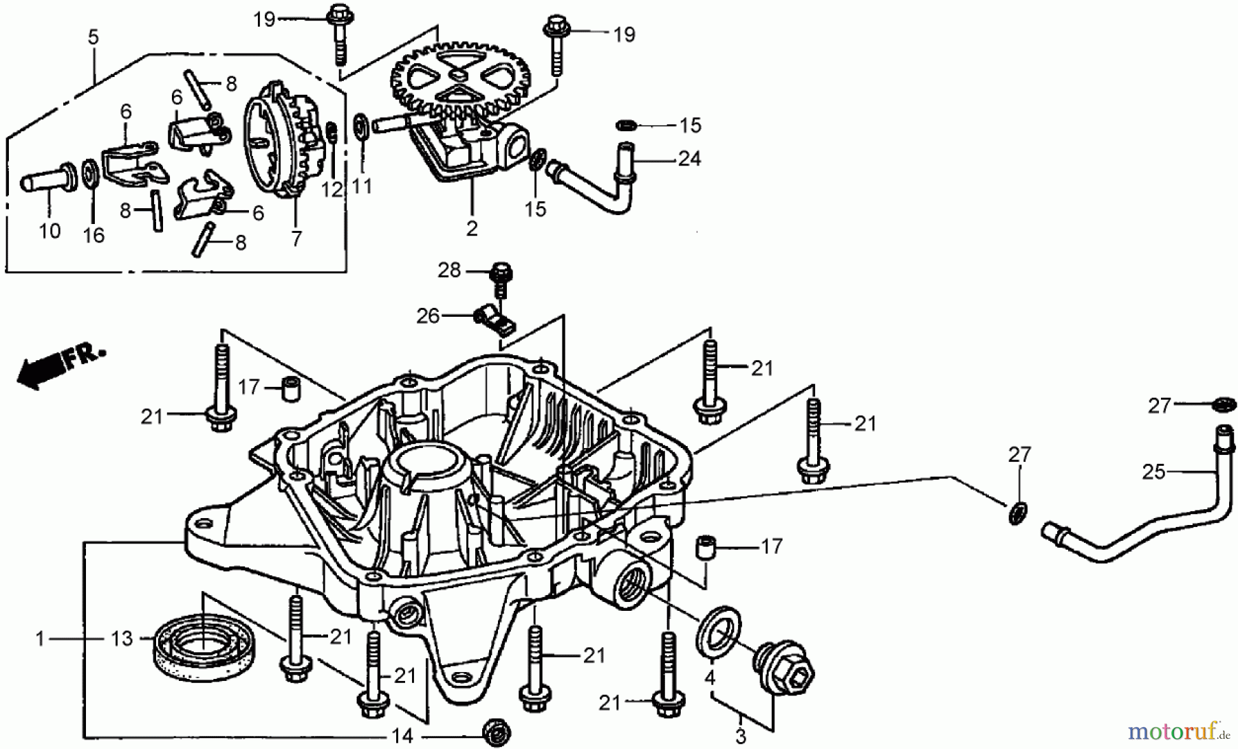
Toro 74425 (Z530) - TimeCutter Z530 Riding Mower, 2007 (270000001-270999999) OIL PAN ASSEMBLY HONDA GXV530 EXA2LB Ersatzteile
OIL PAN ASSEMBLY HONDA GXV530 EXA2LB 74425 (Z530) - Toro TimeCutter Z530 Riding Mower, 2007 (270000001-270999999)

Hier finden Sie die Ersatzteilzeichnung für Toro Neu Mowers, Zero-Turn 74425 (Z530) - Toro TimeCutter Z530 Riding Mower, 2007 (270000001-270999999) OIL PAN ASSEMBLY HONDA GXV530 EXA2LB. Wählen Sie das benötigte Ersatzteil aus der Ersatzteilliste Ihres Toro Gerätes aus und bestellen Sie einfach online. Viele Toro Ersatzteile halten wir ständig in unserem Lager für Sie bereit.



