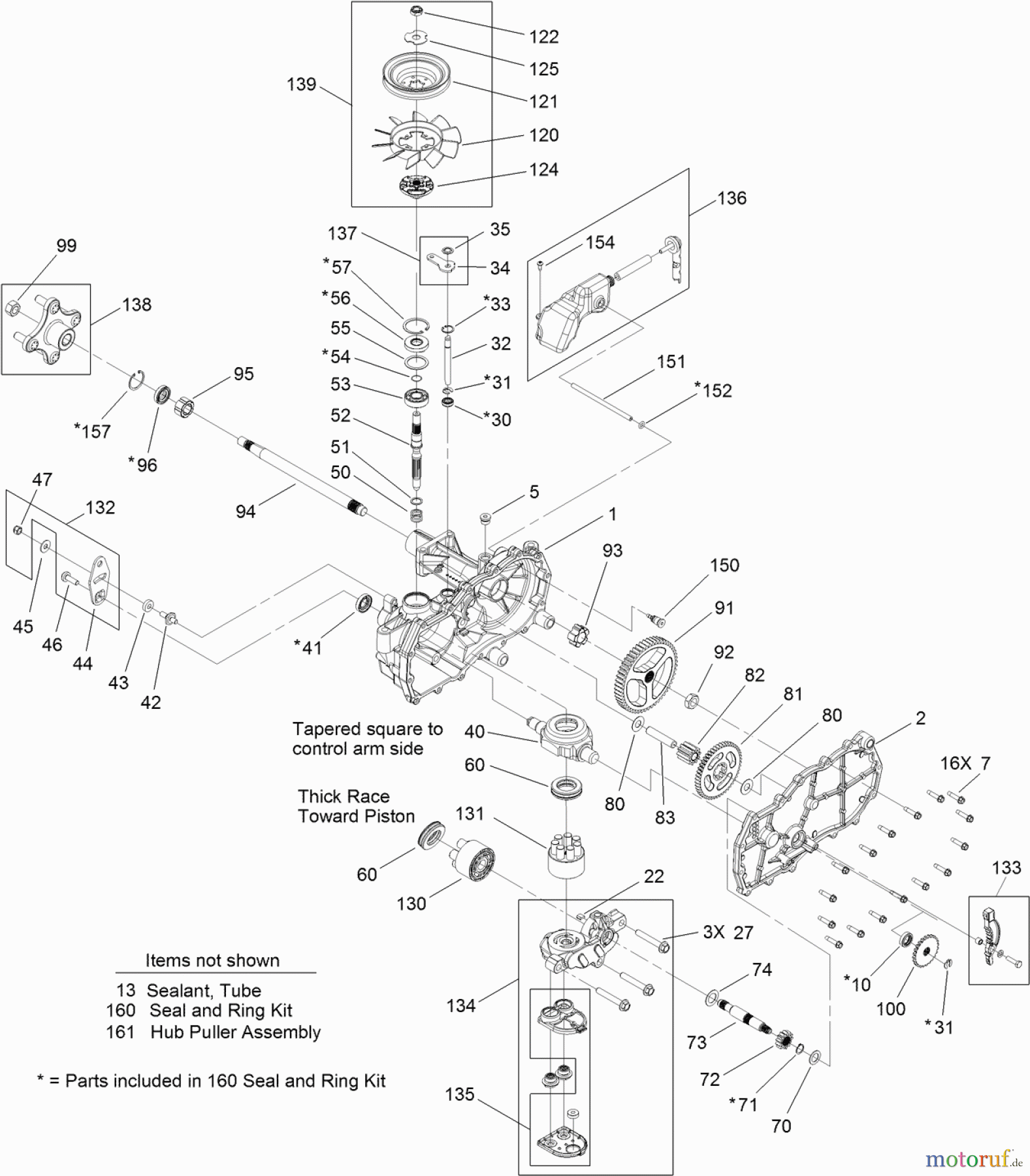
Toro 74385 (ZS 3200) - TimeCutter ZS 3200 Riding Mower, 2011 (311000001-311999999) RIGHT HAND HYDRO TRANSAXLE ASSEMBLY NO. 119-3331 Ersatzteile
RIGHT HAND HYDRO TRANSAXLE ASSEMBLY NO. 119-3331 74385 (ZS 3200) - Toro TimeCutter ZS 3200 Riding Mower, 2011 (311000001-311999999)

Hier finden Sie die Ersatzteilzeichnung für Toro Neu Mowers, Zero-Turn 74385 (ZS 3200) - Toro TimeCutter ZS 3200 Riding Mower, 2011 (311000001-311999999) RIGHT HAND HYDRO TRANSAXLE ASSEMBLY NO. 119-3331. Wählen Sie das benötigte Ersatzteil aus der Ersatzteilliste Ihres Toro Gerätes aus und bestellen Sie einfach online. Viele Toro Ersatzteile halten wir ständig in unserem Lager für Sie bereit.


