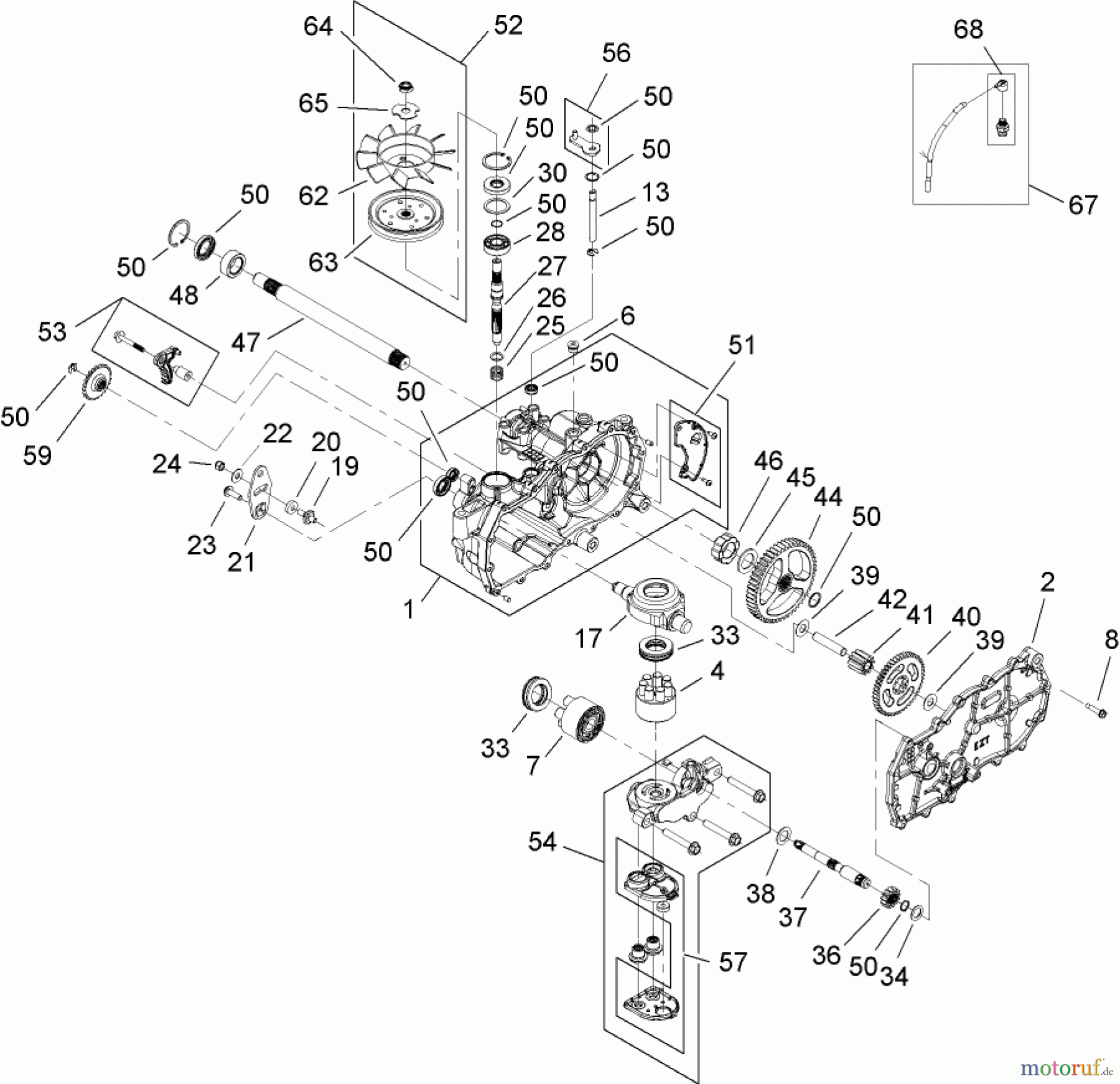
Toro 74374 (Z5040) - TimeCutter Z5040 Riding Mower, 2007 (270000001-270999999) RH HYDRO DRIVE ASSEMBLY NO. 110-6771 Ersatzteile
RH HYDRO DRIVE ASSEMBLY NO. 110-6771 74374 (Z5040) - Toro TimeCutter Z5040 Riding Mower, 2007 (270000001-270999999)

Hier finden Sie die Ersatzteilzeichnung für Toro Neu Mowers, Zero-Turn 74374 (Z5040) - Toro TimeCutter Z5040 Riding Mower, 2007 (270000001-270999999) RH HYDRO DRIVE ASSEMBLY NO. 110-6771. Wählen Sie das benötigte Ersatzteil aus der Ersatzteilliste Ihres Toro Gerätes aus und bestellen Sie einfach online. Viele Toro Ersatzteile halten wir ständig in unserem Lager für Sie bereit.



