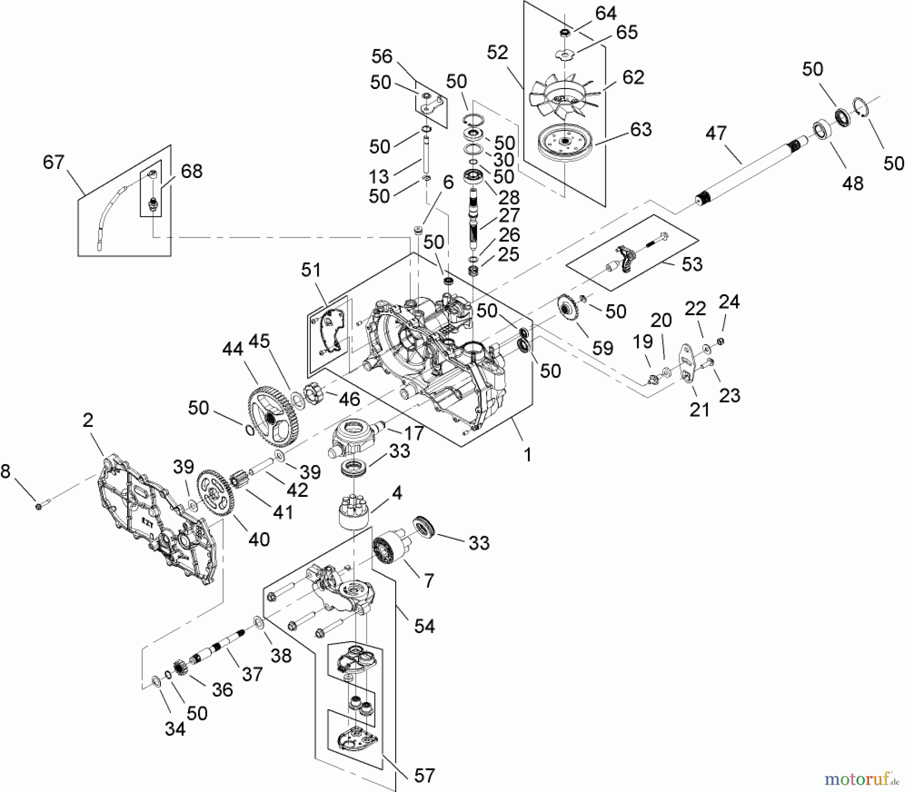
Toro 74360 (Z4200) - TimeCutter Z4200 Riding Mower, 2008 (280000001-280999999) LH HYDRO ASSEMBLY NO. 110-6770 Ersatzteile
LH HYDRO ASSEMBLY NO. 110-6770 74360 (Z4200) - Toro TimeCutter Z4200 Riding Mower, 2008 (280000001-280999999)

Hier finden Sie die Ersatzteilzeichnung für Toro Neu Mowers, Zero-Turn 74360 (Z4200) - Toro TimeCutter Z4200 Riding Mower, 2008 (280000001-280999999) LH HYDRO ASSEMBLY NO. 110-6770. Wählen Sie das benötigte Ersatzteil aus der Ersatzteilliste Ihres Toro Gerätes aus und bestellen Sie einfach online. Viele Toro Ersatzteile halten wir ständig in unserem Lager für Sie bereit.


Qualitätsmanagement
Informieren Sie uns, wenn Sie einen Fehler gefunden haben.

