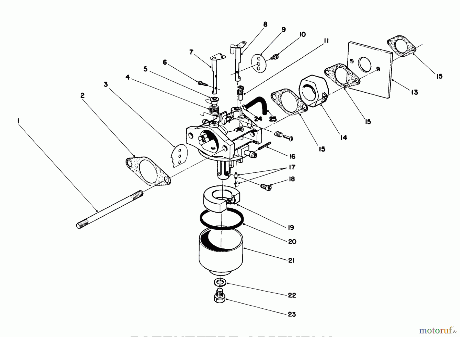
Toro 26680WG - Lawnmower, 1990 (0000001-0999999) CARBURETOR ASSEMBLY (ENGINE NO. 47PK9) Ersatzteile
CARBURETOR ASSEMBLY (ENGINE NO. 47PK9) 26680WG - Toro Lawnmower, 1990 (0000001-0999999)

Hier finden Sie die Ersatzteilzeichnung für Toro Neu Mowers, Walk-Behind Seite 2 26680WG - Toro Lawnmower, 1990 (0000001-0999999) CARBURETOR ASSEMBLY (ENGINE NO. 47PK9). Wählen Sie das benötigte Ersatzteil aus der Ersatzteilliste Ihres Toro Gerätes aus und bestellen Sie einfach online. Viele Toro Ersatzteile halten wir ständig in unserem Lager für Sie bereit.





