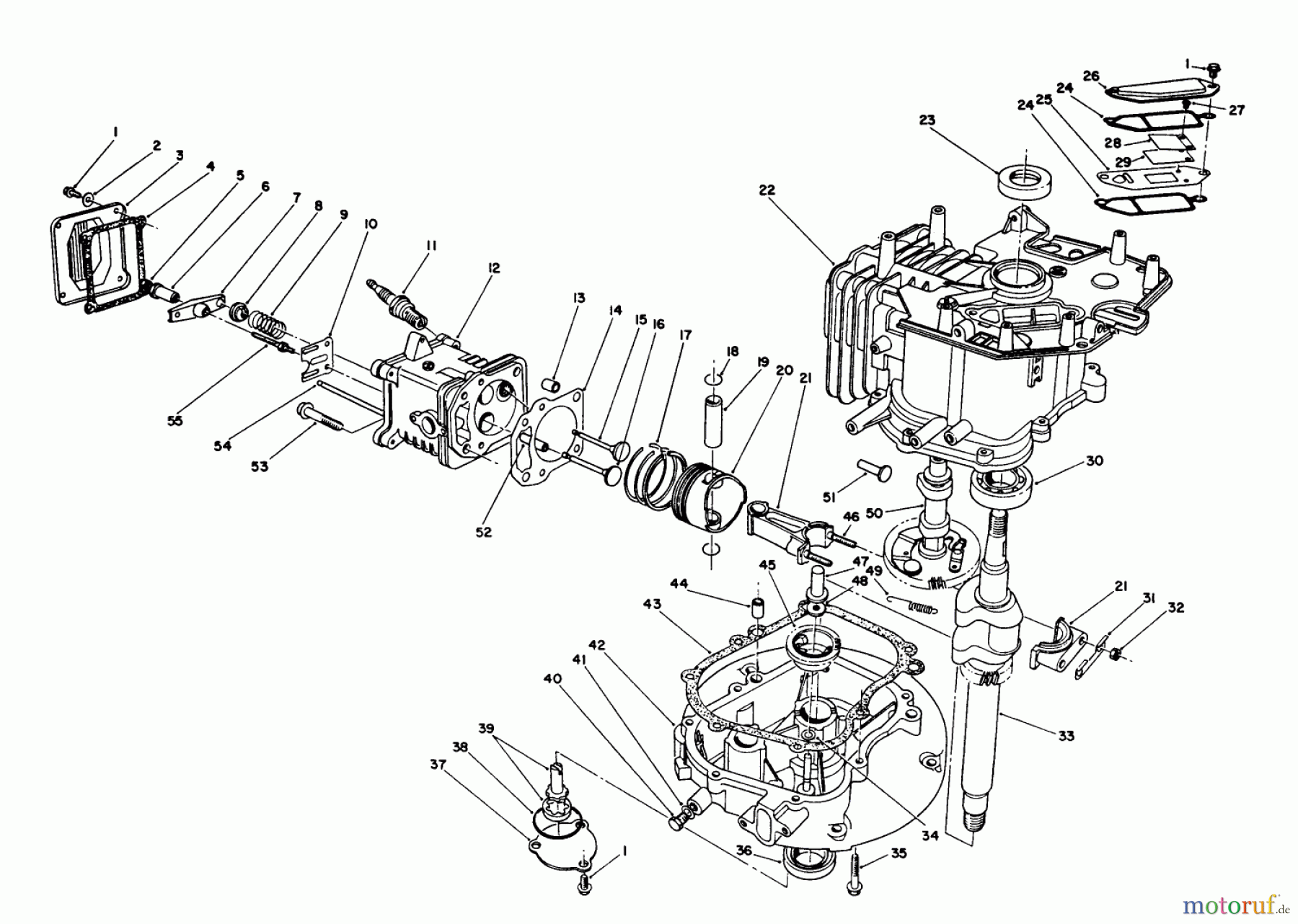
Toro 26624 - Lawnmower, 1990 (0001102-0999999) CRANKCASE ASSEMBLY (ENGINE MODEL NO. VMK9-3) Ersatzteile
CRANKCASE ASSEMBLY (ENGINE MODEL NO. VMK9-3) 26624 - Toro Lawnmower, 1990 (0001102-0999999)

Hier finden Sie die Ersatzteilzeichnung für Toro Neu Mowers, Walk-Behind Seite 2 26624 - Toro Lawnmower, 1990 (0001102-0999999) CRANKCASE ASSEMBLY (ENGINE MODEL NO. VMK9-3). Wählen Sie das benötigte Ersatzteil aus der Ersatzteilliste Ihres Toro Gerätes aus und bestellen Sie einfach online. Viele Toro Ersatzteile halten wir ständig in unserem Lager für Sie bereit.



