Einstellungen Computer

Toro 23022 - Lawnmower, 1983 (3000001-3999999) ENGINE BRIGGS & STRATTON MODEL 130902-1162-01 #2 Ersatzteile

ENGINE BRIGGS & STRATTON MODEL 130902-1162-01 #2 23022 - Toro Lawnmower, 1983 (3000001-3999999)

 Toro Neu Mowers, Walk-Behind Seite 2 23022 - Toro Lawnmower, 1983 (3000001-3999999) ENGINE BRIGGS & STRATTON MODEL 130902-1162-01 #2

Hier finden Sie die Ersatzteilzeichnung für Toro Neu Mowers, Walk-Behind Seite 2 23022 - Toro Lawnmower, 1983 (3000001-3999999) ENGINE BRIGGS & STRATTON MODEL 130902-1162-01 #2. Wählen Sie das benötigte Ersatzteil aus der Ersatzteilliste Ihres Toro Gerätes aus und bestellen Sie einfach online. Viele Toro Ersatzteile halten wir ständig in unserem Lager für Sie bereit.

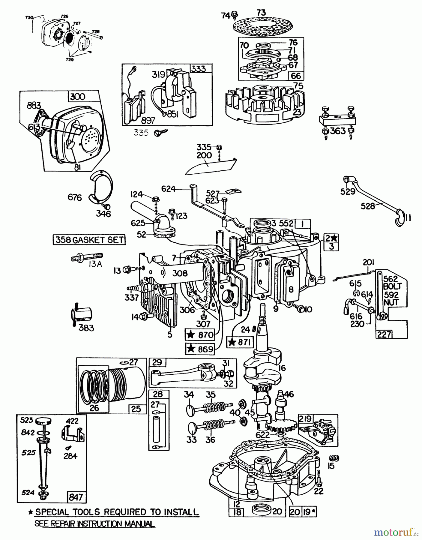
BildNrArtikel NummerBezeichnung
1 BS396006ZYLINDER (I)
2 BS297565ZYLINDERBUECHSE
3 BS299819SSIMMERRING 89660
5 BS211542VERWEIS-NR. 691716
7 BS272157VERWEIS ZU
8 BS495758ENTLUEFTER
9 BS27549SVENTILDECKELDICHTUNG
10 BS94621
11 BS67738SCHUTZKAPPE
12 BS270069DICHTUNG-KURBELGEH.
BS270122DICHTUNG-KURBELGEH.
BS270123DICHTUNG-KURBELGEH.
13 BS94221
13A BS94733
14 BS94679
15 BS94613
16 BS397121KURBELWELLE
18 BS297587OELWANNE
19 BS297604BUECHSE
20 BS391485SIMMERRING 294167
22 BS94607
23 BS297229VERWEIS ZU
24 BS222698SSCHWUNGRADKEIL
25 BS793214KOLBEN KOMPLETT
BS298905KOLBEN 010
BS298906KOLBEN 020
BS298907KOLBEN 030
26 BS298982KOLBENRINGSATZ
BS298983KOLBENRINGSATZ 010
BS298984KOLBENRINGSATZ 020
BS298985KOLBENRINGSATZ 030
27 BS691588KOLBENBOLZENSICHERUNG
28 BS298909KOLBENBOLZEN 291925
BS298908KOLBENBOLZEN 291926
29 BS299429PLEUELSTANGE
31 BS222282SCHEIBE 220460
32 BS691664PLEUELSCHRAUBE
33 BS211119SAUSLASSVENTIL
34 BS261044SEINL.-VENTIL
35 BS690520FEDER
36 BS692180FEDER
40 BS692194HALTER
45 BS690509VENTILSTOESSEL
46 BS212733VERWEIS ZU
52 BS270070DICHTUNG
66 BS399671STARTERKUPPLUNG
67 BS394897KUPPL.GEHAEUSE 395354,212483
68 BS691604KUGEL F.STARTER 230617
70 BS298799VERWEIS ZU
71 Toro ABDECKSCHEIBEBS691359ABDECKSCHEIBE
73 BS221923SIEB
74 BS691660SCHRAUBE
75 BS224061VERWEIS ZU
76 BS68238
727 BS691729SCHRAUBENSICHERUNG
123 BS93512SCHRAUBE
124 BS93367SCHRAUBE
200 BS223886VERWEIS ZU
201 BS260649REGLERGESTAENGE
219 BS496062REGLER + SCHLEUDER
227 BS391967REGLERHEBEL
230 BS94742
284 BS93410SCHRAUBE
300 BS493936VERWEIS ZU
306 BS223804LEITBLECH
307 BS691078SCHRAUBE
308 BS221452ZYLINDERKOPFDECKEL
319 BS298316VERWEIS ZU
333 BS397358ZUENDSPULE & MODUL
335 BS691621SCHRAUBE 93215
337 BS802592VERWEIS ZU
346 BS94896
358 BS496659DICHTUNGSATZ
363 Toro SCHWUNGRADABZIEHERBS19069SCHWUNGRADABZIEHER
383 BS89838SZUENDK-SCHLUESSEL 19/21MM
422 BS222576KLAMMER
523 BS494976VERWEIS ZU
524 BS281370VERWEIS ZU
525 BS497419VERWEIS ZU
527 BS93376KLEMME
528 BS230717ENTLUEFTERROHR
529 BS67608KNIESTUECK
552 BS692346BUCHSE
562 BS92613BOLZEN
592 BS691251MUTTER
613 Toro SCHRAUBE 93566BS691413SCHRAUBE 93566
614 BS691620SPLINT
615 BS93307HALTER
616 BS495242REGLERHEBEL
622 BS260676SCHEIBE
623 BS691630SCHRAUBE 93566
624 BS297252HEBEL
625 BS297254ANSAUGKRUEMMER
676 BS393757ABWEISBLECH
842 BS691870SEAL
847 BS392066OELEINF.ROHR 390212
851 BS493880VERWEIS ZU
869 BS691705DICHTRING
870 BS691701DICHTRING
871 BS63709BUECHSE
883 BS272309VERWEIS ZU
897 Toro MAGNETRON-MODULBS394970MAGNETRON-MODUL
726 BS692304SCHALLDAEMPFER
727 BS222263VERWEIS ZU
728 BS93704SCHRAUBE
729 BS392194LEITBLECH 222536
730 BS221885SCHUTZBLECH
Rasen
Bankeinzug, MasterCard, Visa, American Express, PayPal, Nachnahme, Vorauskasse, Sofortüberweisung
Datenschutzerklärung Impressum