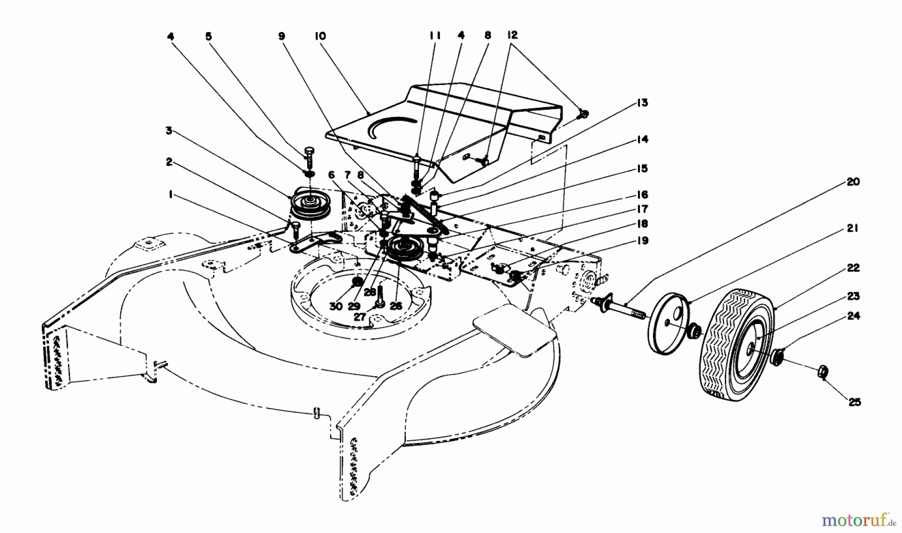
Toro 23004 - 21" Whirlwind Hevi-Duty Lawnmower, 1974 (4000001-4999999) REAR AXLE & TIRE ASSEMBLY S.P. MODELS 23144 & 23123 Ersatzteile
REAR AXLE & TIRE ASSEMBLY S.P. MODELS 23144 & 23123 23004 - Toro 21" Whirlwind Hevi-Duty Lawnmower, 1974 (4000001-4999999)

Hier finden Sie die Ersatzteilzeichnung für Toro Neu Mowers, Walk-Behind Seite 2 23004 - Toro 21" Whirlwind Hevi-Duty Lawnmower, 1974 (4000001-4999999) REAR AXLE & TIRE ASSEMBLY S.P. MODELS 23144 & 23123. Wählen Sie das benötigte Ersatzteil aus der Ersatzteilliste Ihres Toro Gerätes aus und bestellen Sie einfach online. Viele Toro Ersatzteile halten wir ständig in unserem Lager für Sie bereit.






