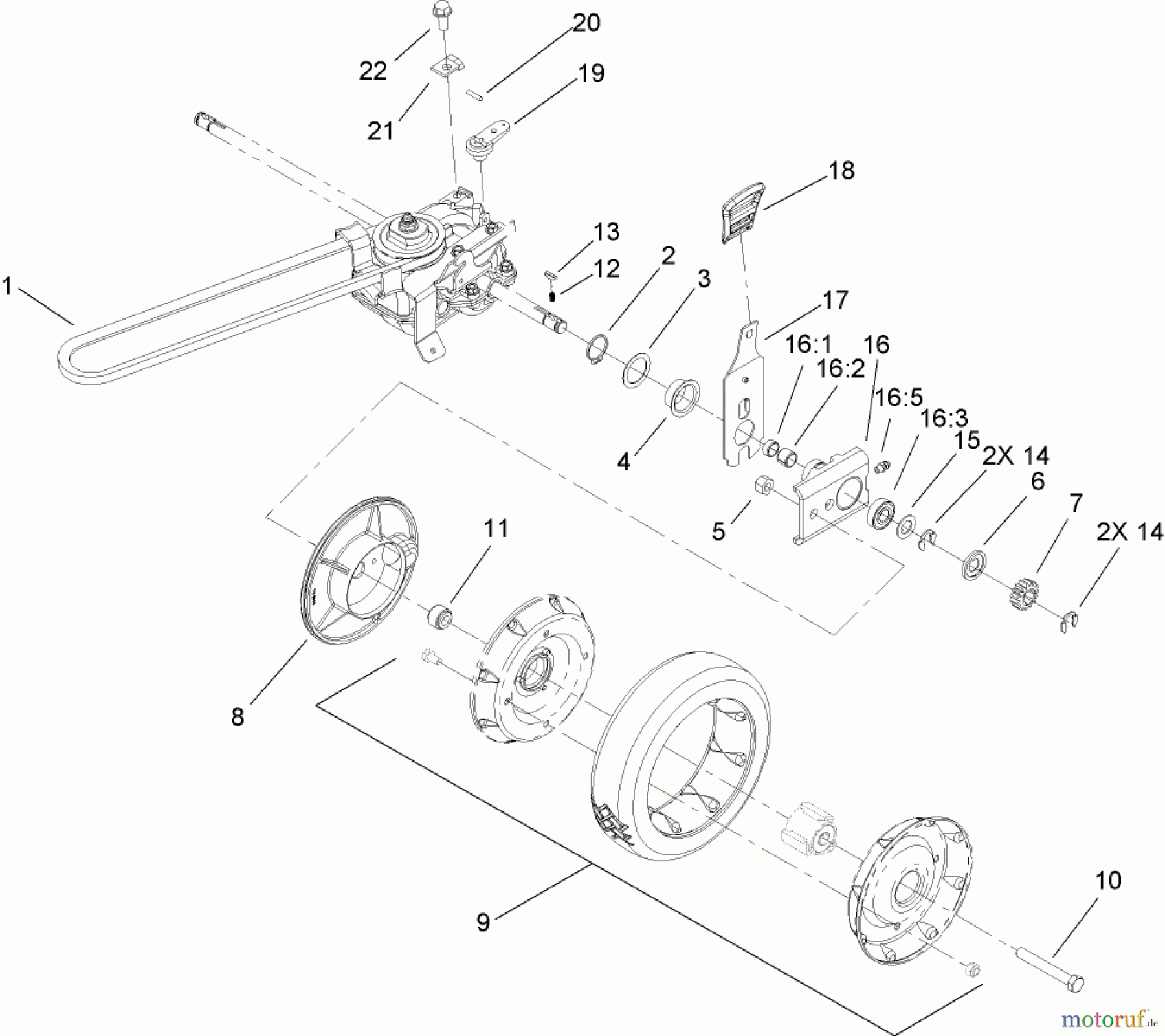
Toro 22178 - 21" Heavy-Duty Rear Bagger Lawnmower, 2006 (260000001-260004000) REAR SUSPENSION ASSEMBLY Ersatzteile
REAR SUSPENSION ASSEMBLY 22178 - Toro 21" Heavy-Duty Rear Bagger Lawnmower, 2006 (260000001-260004000)

Hier finden Sie die Ersatzteilzeichnung für Toro Neu Mowers, Walk-Behind Seite 2 22178 - Toro 21" Heavy-Duty Rear Bagger Lawnmower, 2006 (260000001-260004000) REAR SUSPENSION ASSEMBLY. Wählen Sie das benötigte Ersatzteil aus der Ersatzteilliste Ihres Toro Gerätes aus und bestellen Sie einfach online. Viele Toro Ersatzteile halten wir ständig in unserem Lager für Sie bereit.


Qualitätsmanagement
Informieren Sie uns, wenn Sie einen Fehler gefunden haben.




