Einstellungen Computer

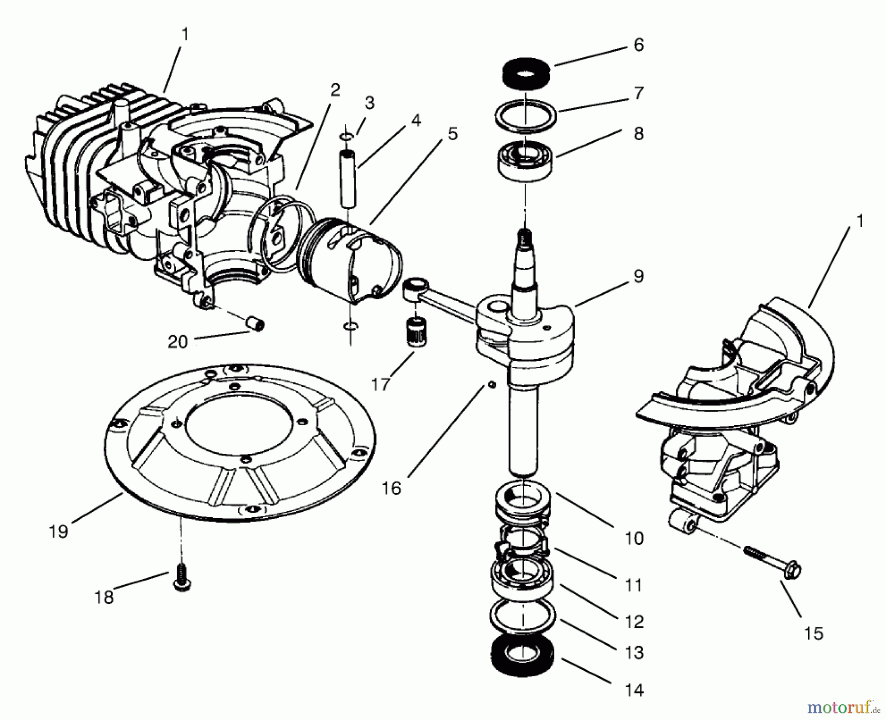
Toro 22045B - Lawnmower, 1996 (6900001-6999999) CRANKSHAFT ASSEMBLY (MODEL NO. 47PS5-7)(MODEL NO. 22045B)(MODEL NO. 47PT6-7)(MODEL NO. 22045) Ersatzteile

CRANKSHAFT ASSEMBLY (MODEL NO. 47PS5-7)(MODEL NO. 22045B)(MODEL NO. 47PT6-7)(MODEL NO. 22045) 22045B - Toro Lawnmower, 1996 (6900001-6999999)

 Toro Neu Mowers, Walk-Behind Seite 2 22045B - Toro Lawnmower, 1996 (6900001-6999999) CRANKSHAFT ASSEMBLY (MODEL NO. 47PS5-7)(MODEL NO. 22045B)(MODEL NO. 47PT6-7)(MODEL NO. 22045)

Hier finden Sie die Ersatzteilzeichnung für Toro Neu Mowers, Walk-Behind Seite 2 22045B - Toro Lawnmower, 1996 (6900001-6999999) CRANKSHAFT ASSEMBLY (MODEL NO. 47PS5-7)(MODEL NO. 22045B)(MODEL NO. 47PT6-7)(MODEL NO. 22045). Wählen Sie das benötigte Ersatzteil aus der Ersatzteilliste Ihres Toro Gerätes aus und bestellen Sie einfach online. Viele Toro Ersatzteile halten wir ständig in unserem Lager für Sie bereit.

Rasen
Bankeinzug, MasterCard, Visa, American Express, PayPal, Nachnahme, Vorauskasse, Sofortüberweisung
Datenschutzerklärung Impressum
Qualitätsmanagement
Informieren Sie uns, wenn Sie einen Fehler gefunden haben.