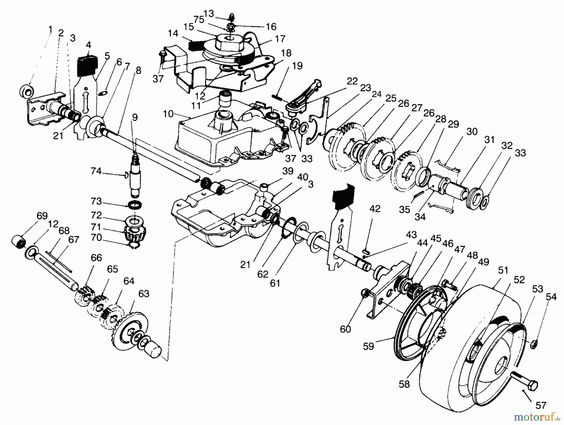
Toro 22037B - Proline 21" Recycler Mower, 1994 (49000001-49999999) GEAR CASE ASSEMBLY Ersatzteile
GEAR CASE ASSEMBLY 22037B - Toro Proline 21" Recycler Mower, 1994 (49000001-49999999)

Hier finden Sie die Ersatzteilzeichnung für Toro Neu Mowers, Walk-Behind Seite 2 22037B - Toro Proline 21" Recycler Mower, 1994 (49000001-49999999) GEAR CASE ASSEMBLY. Wählen Sie das benötigte Ersatzteil aus der Ersatzteilliste Ihres Toro Gerätes aus und bestellen Sie einfach online. Viele Toro Ersatzteile halten wir ständig in unserem Lager für Sie bereit.


Qualitätsmanagement
Informieren Sie uns, wenn Sie einen Fehler gefunden haben.





