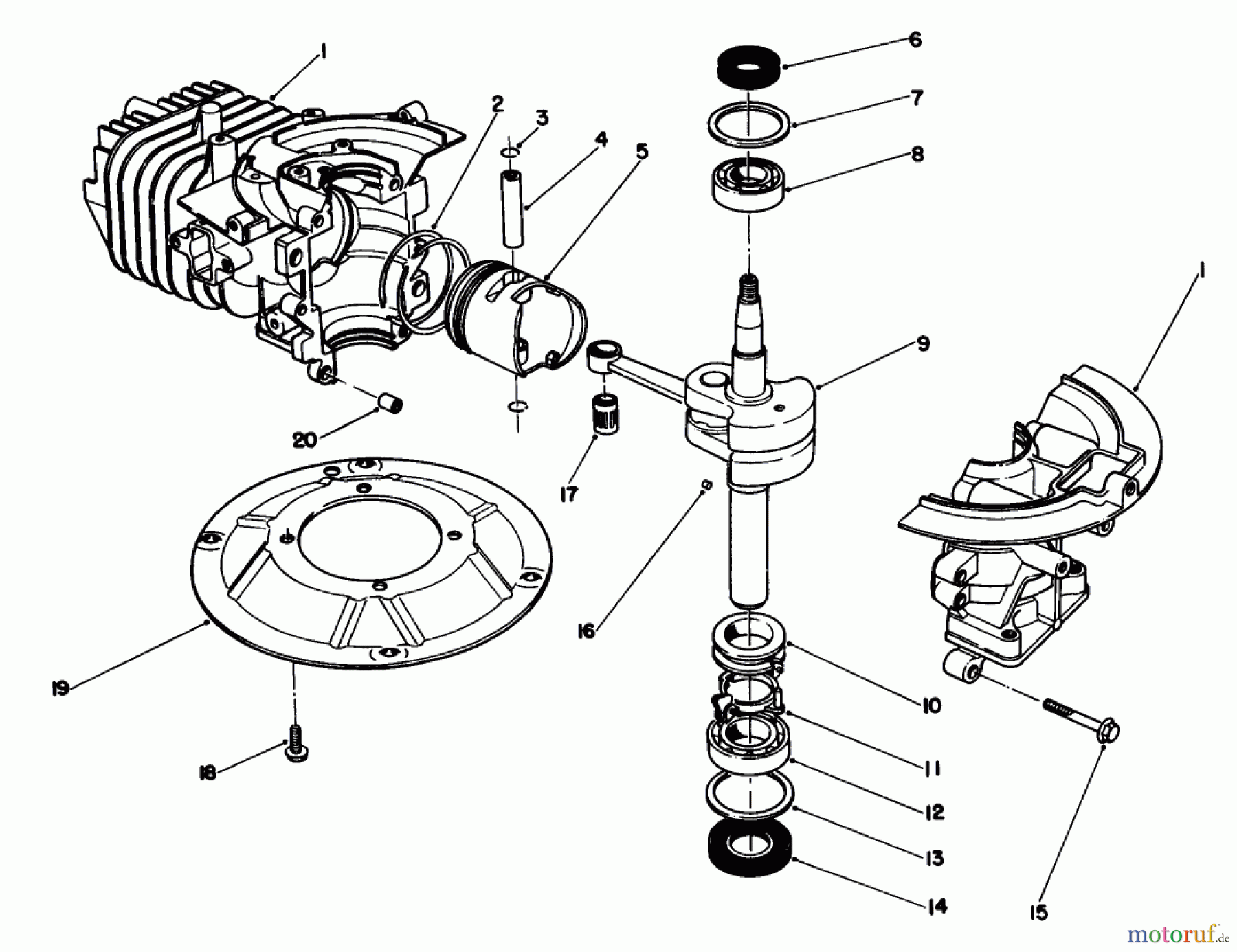
Toro 22036 - Lawnmower, 1992 (2000001-2999999) CRANKSHAFT ASSEMBLY (MODEL NO. 47PM1-3) Ersatzteile
CRANKSHAFT ASSEMBLY (MODEL NO. 47PM1-3) 22036 - Toro Lawnmower, 1992 (2000001-2999999)

Hier finden Sie die Ersatzteilzeichnung für Toro Neu Mowers, Walk-Behind Seite 2 22036 - Toro Lawnmower, 1992 (2000001-2999999) CRANKSHAFT ASSEMBLY (MODEL NO. 47PM1-3). Wählen Sie das benötigte Ersatzteil aus der Ersatzteilliste Ihres Toro Gerätes aus und bestellen Sie einfach online. Viele Toro Ersatzteile halten wir ständig in unserem Lager für Sie bereit.



