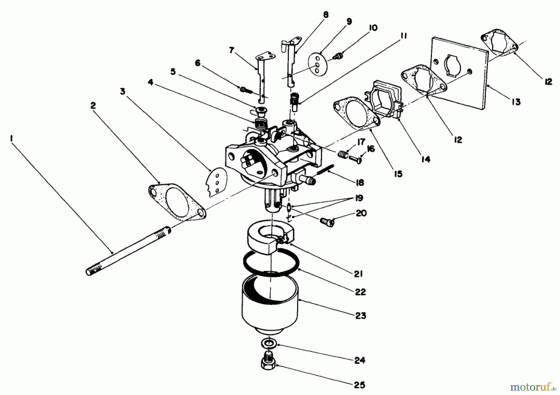
Toro 22025C - Lawnmower, 1988 (8000001-8999999) ENGINE ASSEMBLY MODEL NO. 47PH7 #3 Ersatzteile
ENGINE ASSEMBLY MODEL NO. 47PH7 #3 22025C - Toro Lawnmower, 1988 (8000001-8999999)

Hier finden Sie die Ersatzteilzeichnung für Toro Neu Mowers, Walk-Behind Seite 2 22025C - Toro Lawnmower, 1988 (8000001-8999999) ENGINE ASSEMBLY MODEL NO. 47PH7 #3. Wählen Sie das benötigte Ersatzteil aus der Ersatzteilliste Ihres Toro Gerätes aus und bestellen Sie einfach online. Viele Toro Ersatzteile halten wir ständig in unserem Lager für Sie bereit.






