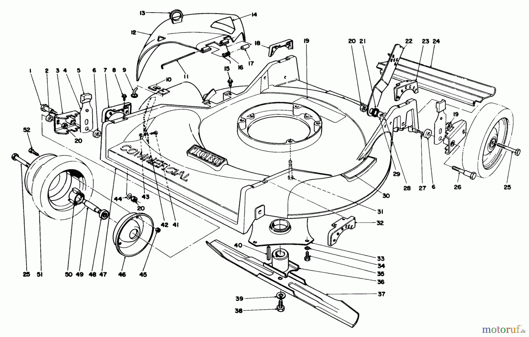
Toro 22025 - Lawnmower, 1991 (1000001-1999999) HOUSING & WHEEL ASSEMBLY Ersatzteile
HOUSING & WHEEL ASSEMBLY 22025 - Toro Lawnmower, 1991 (1000001-1999999)

Hier finden Sie die Ersatzteilzeichnung für Toro Neu Mowers, Walk-Behind Seite 2 22025 - Toro Lawnmower, 1991 (1000001-1999999) HOUSING & WHEEL ASSEMBLY. Wählen Sie das benötigte Ersatzteil aus der Ersatzteilliste Ihres Toro Gerätes aus und bestellen Sie einfach online. Viele Toro Ersatzteile halten wir ständig in unserem Lager für Sie bereit.







