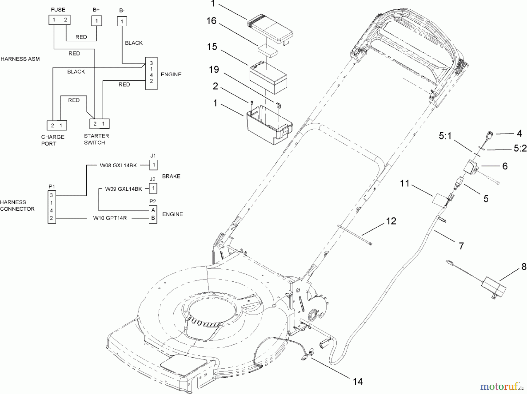
Toro 20067 - 22" Recycler Lawn Mower, 2007 (270000001-270999999) ELECTRICAL ASSEMBLY Ersatzteile
ELECTRICAL ASSEMBLY 20067 - Toro 22" Recycler Lawn Mower, 2007 (270000001-270999999)

Hier finden Sie die Ersatzteilzeichnung für Toro Neu Mowers, Walk-Behind Seite 1 20067 - Toro 22" Recycler Lawn Mower, 2007 (270000001-270999999) ELECTRICAL ASSEMBLY. Wählen Sie das benötigte Ersatzteil aus der Ersatzteilliste Ihres Toro Gerätes aus und bestellen Sie einfach online. Viele Toro Ersatzteile halten wir ständig in unserem Lager für Sie bereit.


Qualitätsmanagement
Informieren Sie uns, wenn Sie einen Fehler gefunden haben.


