Toro 19400 - Guardian Lawnmower, 1975 (5000001-5999999) ENGINE TECUMSEH MODEL TNT100-10042 Ersatzteile
ENGINE TECUMSEH MODEL TNT100-10042 19400 - Toro Guardian Lawnmower, 1975 (5000001-5999999)

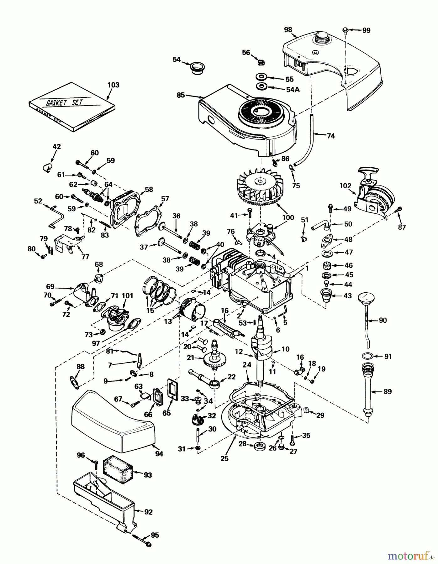
Hier finden Sie die Ersatzteilzeichnung für Toro Neu Mowers, Walk-Behind Seite 1 19400 - Toro Guardian Lawnmower, 1975 (5000001-5999999) ENGINE TECUMSEH MODEL TNT100-10042. Wählen Sie das benötigte Ersatzteil aus der Ersatzteilliste Ihres Toro Gerätes aus und bestellen Sie einfach online. Viele Toro Ersatzteile halten wir ständig in unserem Lager für Sie bereit.





